EasyManua.ls Logo

COBHAM AVIATOR 200S - Sdu-5045 Csdu

COBHAM AVIATOR 200S
101 pages
Print Icon
To Next Page IconTo Next Page
To Next Page IconTo Next Page
To Previous Page IconTo Previous Page
To Previous Page IconTo Previous Page
Loading...
General installation information
4-2 Chapter 4: Installation 98-145168-A
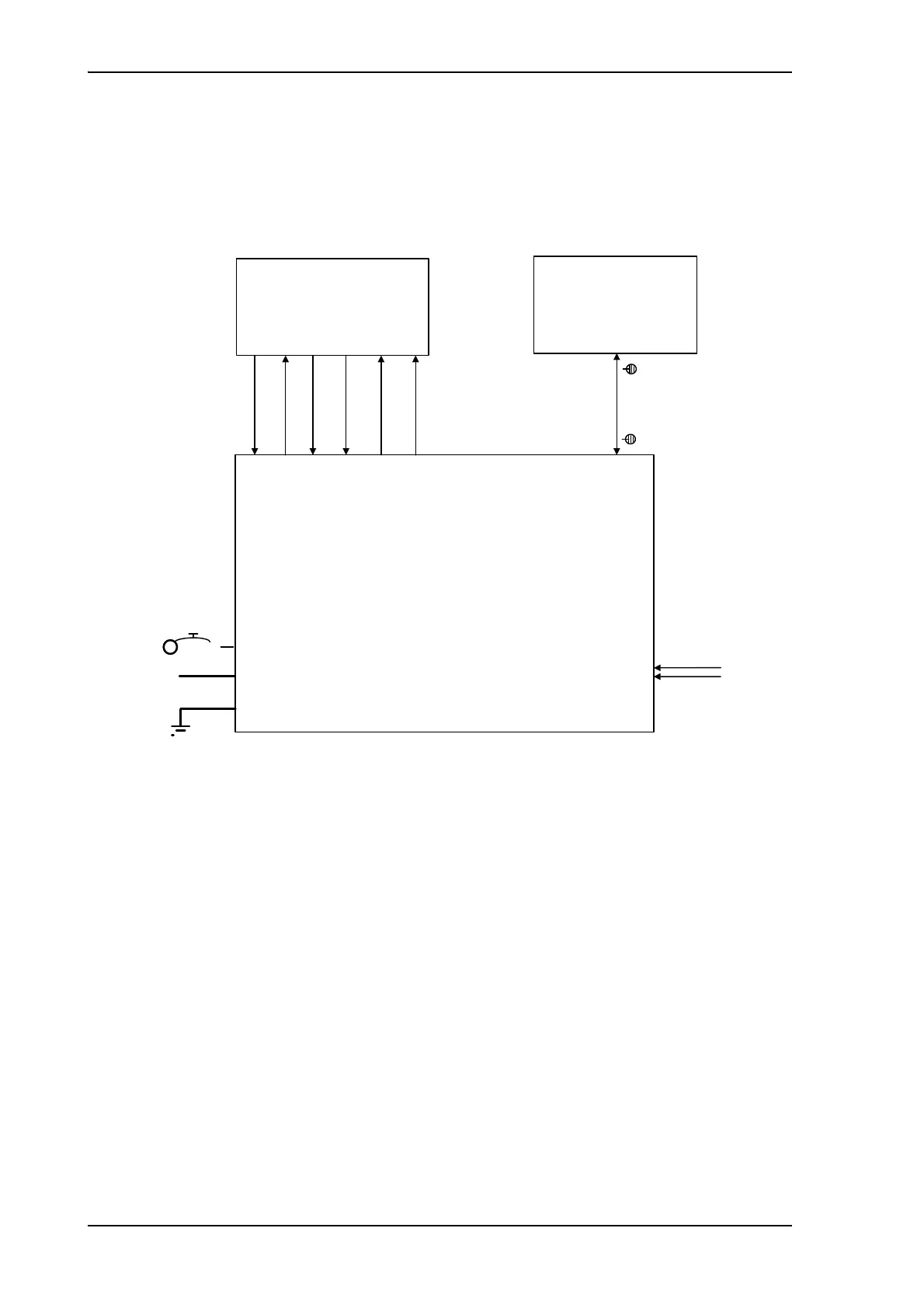
Minimum system drawing
This drawing shows which units to connect as a minimum for the system to function.
Figure 4-1: AVIATOR 200S system (minimum, AC powered)
SDU-5045
CSDU
BP1 +115 VAC
Neutral (Cold)
+115 VAC
360-800 Hz
Aircraft
Power Supply
BP5 +115 VAC
Line (Hot)
LGA-5005
Antenna
IRS/AHRS A429 A, MP06G
IRS/AHRS A429 B, MP06H
Aircraft ARINC 429
Navigation outputs
Modem, RF RX/TX, DC power
Max. 18 dB @ 1.6 GHz
Max. 0.6 Ohm DC resistance
BP3 Chassis
Ground
TP71
DC power out,
modem,
SCM-5055
SCM
MP01D
MP03D
MP04D
SCM output
power
Data to SCM
(RS422 output A)
Data to SCM
(RS422 output B)
MP05D
MP06D
Data from SCM
(RS422 input A)
Data from SCM
(RS422 input B)
Pin 1
Pin 2
Pin 3
Pin 4
Pin 8
Cable length
Max. 10 m
Pin 15
MP02D
SCM power
return

Table of Contents