EasyManua.ls Logo

ComAp IS-NT-BB - MINT Application

ComAp IS-NT-BB
149 pages
Print Icon
To Next Page IconTo Next Page
To Next Page IconTo Next Page
To Previous Page IconTo Previous Page
To Previous Page IconTo Previous Page
Loading...
IGS-NT Installation Guide
77
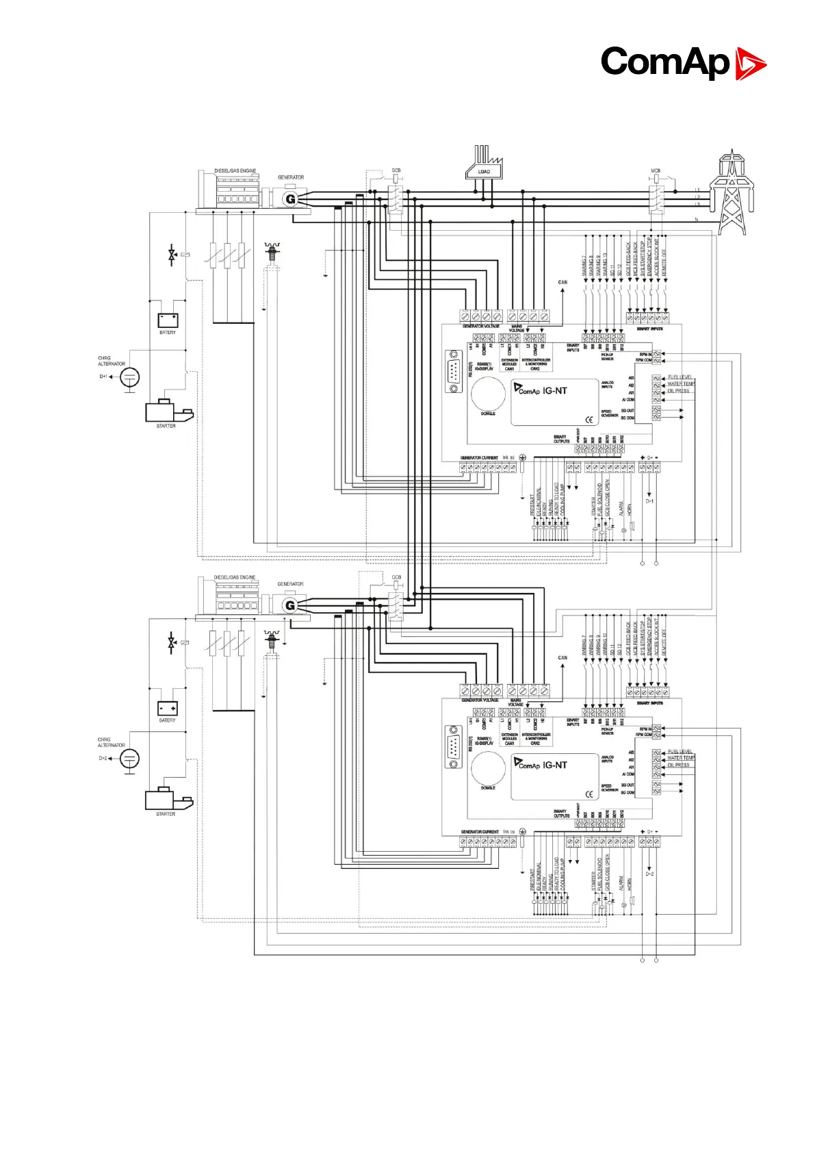
9.3. MINT application

Table of Contents

Other manuals for ComAp IS-NT-BB

Related product manuals