EasyManua.ls Logo

ComAp IS-NT-BB - Intelimains - MCB Application; Basebox Controller

ComAp IS-NT-BB
149 pages
Print Icon
To Next Page IconTo Next Page
To Next Page IconTo Next Page
To Previous Page IconTo Previous Page
To Previous Page IconTo Previous Page
Loading...
IGS-NT Installation Guide
79
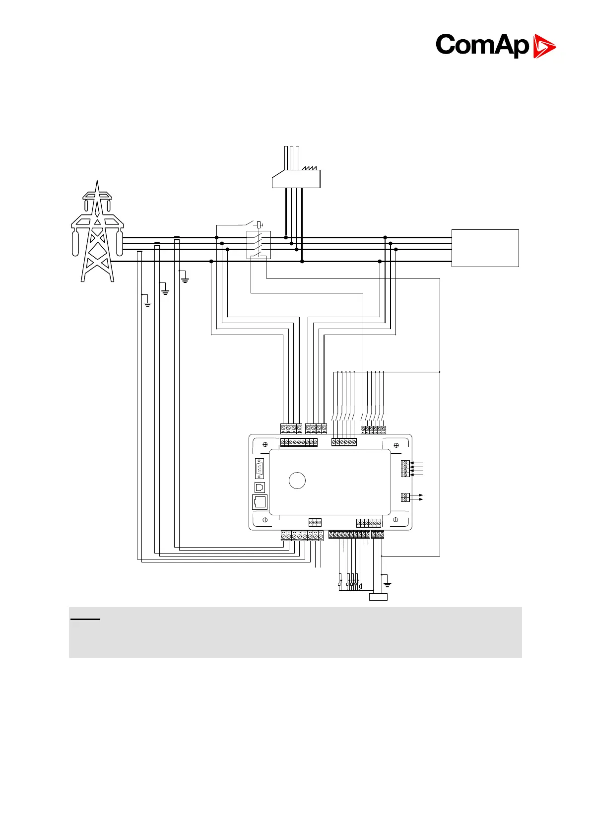
9.5. InteliMains MCB Application
9.5.1. BaseBox controller
Mains V meas
BI
1
BO
A1
AI COM
A2
A3
Bus V meas
2 3 4 5 6
7 8 9 10 11 12
9 10 11 12 + -
1 2 3 4 5 6 7 8 + -
L1k L1l
L2k L2l L3k L3l LNkLNl
AOUT+
AOUT COM
Load
MCB FEEDBACK
TEST ON LOAD
REMOTE START/STOP
FORCE SYNC
ACCESSLOCK INT
REMOTE OFF
REMOTE TEST
WARNING 8
WARNING 9
WARNING 10
LOAD RES 3
FORCEVALUEIN1
K
L
k
l
K
L
k
l
K
L
k
l
HORN
ALARM
BUS PARAMS OK
MAINS PARAMS OK
MCB CLOSE/OPEN
+
-
Monitoring
Analog
control
MCB
L1
L2
L3
N
GEN-SET GROUP
L1
L2
L3
N
Aux Curr
Meas
NOTE:
Binary Input MCB FEEDBACK and Binary Output MCB OPEN/CLOSE are the only compulsory BI
and BO in this application. Other Binary Inputs and Outputs in the schematics are only
recommended or suggested for basic and advanced functions of the controller.

Table of Contents

Other manuals for ComAp IS-NT-BB

Related product manuals