EasyManua.ls Logo

ComAp IS-NT-BB - Intelimains - MGCB Application; Basebox Controller

ComAp IS-NT-BB
149 pages
Print Icon
To Next Page IconTo Next Page
To Next Page IconTo Next Page
To Previous Page IconTo Previous Page
To Previous Page IconTo Previous Page
Loading...
IGS-NT Installation Guide
81
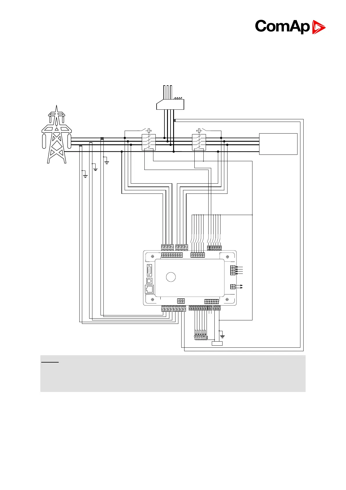
9.6. InteliMains MGCB Application
9.6.1. BaseBox controller
Mains V meas
BI
1
BO
A1
AI COM
A2
A3
Bus V meas
2 3 4 5 6
7 8 9 10 11 12
9 10 11 12 + -
1 2 3 4 5 6 7 8 + -
L1k L1l
L2k L2l L3k L3l LNkLNl
AOUT+
AOUT COM
Load
MCB FEEDBACK
MGCB FEEDBACK
REMOTE START/STOP
FORCE BLOCK
ACCESSLOCK INT
REMOTE OFF
REMOTE TEST
WARNING 8
WARNING 9
TEST ON LOAD
LOAD RES 3
FORCEVALUEIN1
K
L
k
l
K
L
k
l
K
L
k
l
HORN
ALARM
BUS PARAMS OK
MAINS PARAMS OK
MGCB CLOSE/OPEN
MCB CLOSE/OPEN
+
-
Monitoring
Analog
control
MCB MGCB
L1
L2
L3
N
GEN-SET GROUP
L1
L2
L3
N
K
L
k
l
NOTE:
Binary Inputs MCB FEEDBACK and MGCB FEEDBACK and Binary Outputs MCB OPEN/CLOSE and
MGCB OPEN/CLOSE are the only compulsory BI and BO in this application. Other Binary Inputs
and Outputs in the schematics are only recommended or suggested for basic and advanced
functions of the controller.

Table of Contents

Other manuals for ComAp IS-NT-BB

Related product manuals