EasyManua.ls Logo

Comelit 8461V - KIT 8461 V: Additional Remote Camera Module Art. 1409

Comelit 8461V
42 pages
Print Icon
To Next Page IconTo Next Page
To Next Page IconTo Next Page
To Previous Page IconTo Previous Page
To Previous Page IconTo Previous Page
Loading...
36
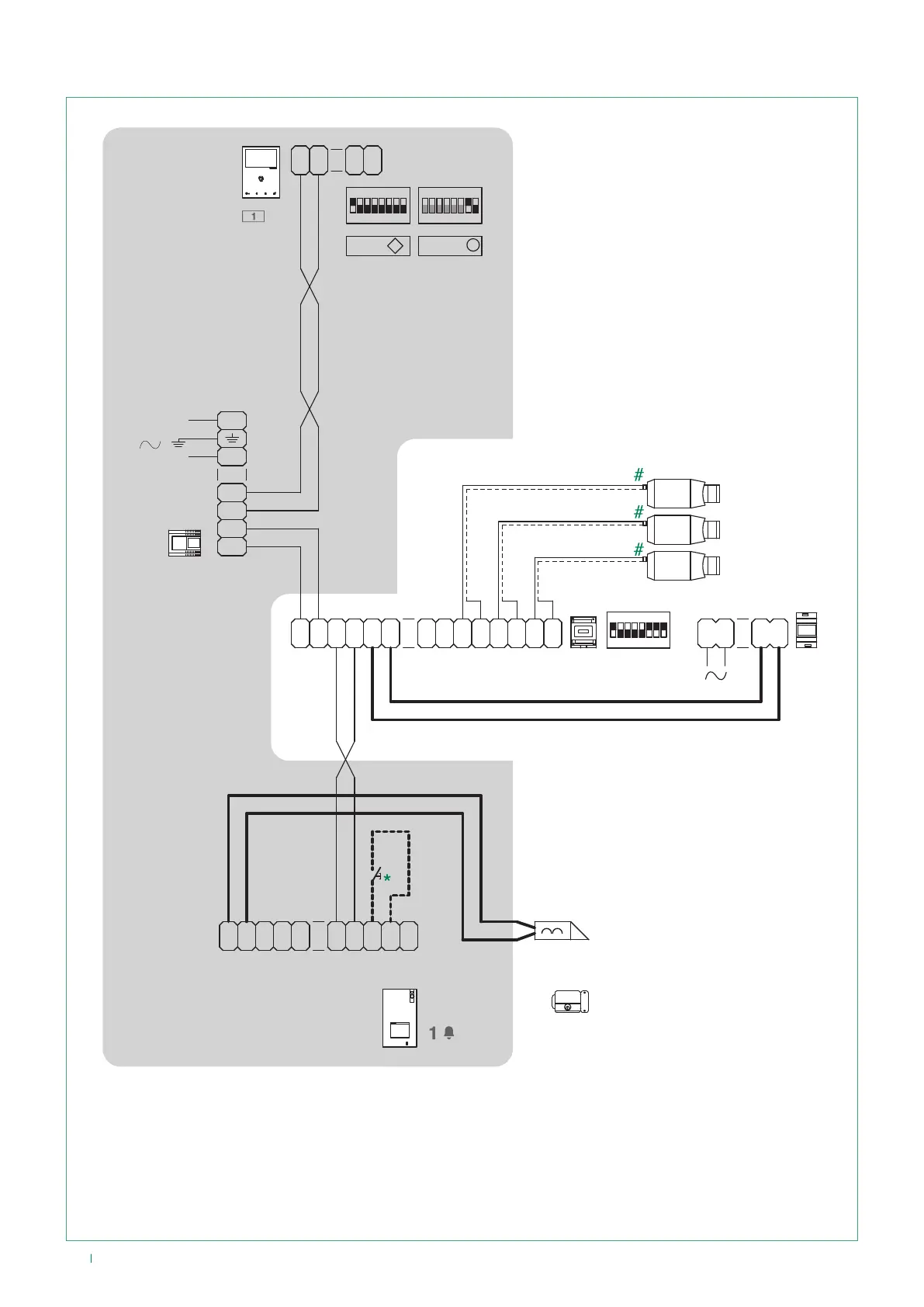
KIT 8461V: additional remote camera module Art. 1409
8461V
LL
O
D
E
T
R
NO
SE
-
SE
+
NC C
M
O
C
1209
L
N
110-240V
L2
L2
L1
L1
4893
1234 675 8
ON
1409
G
N
DA
N
I
3
V S
32
SV
2
S
11
V
+
-
~ ~
LLL
OUT
L
OUT
IN IN
230V~
12V~
1200
C
F
P
LL
C
F
P
1
2
ON
85 764321
1234 675 8
ON
S1 S2
A
P
6721W
6721W/BM
MNVK/015QC
# To be powered separately. For the setting and operation of Art.1409 see the respective manual.
*
Local lock release button.

Table of Contents

Related product manuals