EasyManua.ls Logo

Comparc BRONCO 255K XD - SECTION 7 ELECTRICAL DIAGRAM

Comparc BRONCO 255K XD
39 pages
Print Icon
To Next Page IconTo Next Page
To Next Page IconTo Next Page
To Previous Page IconTo Previous Page
To Previous Page IconTo Previous Page
Loading...
PM1323
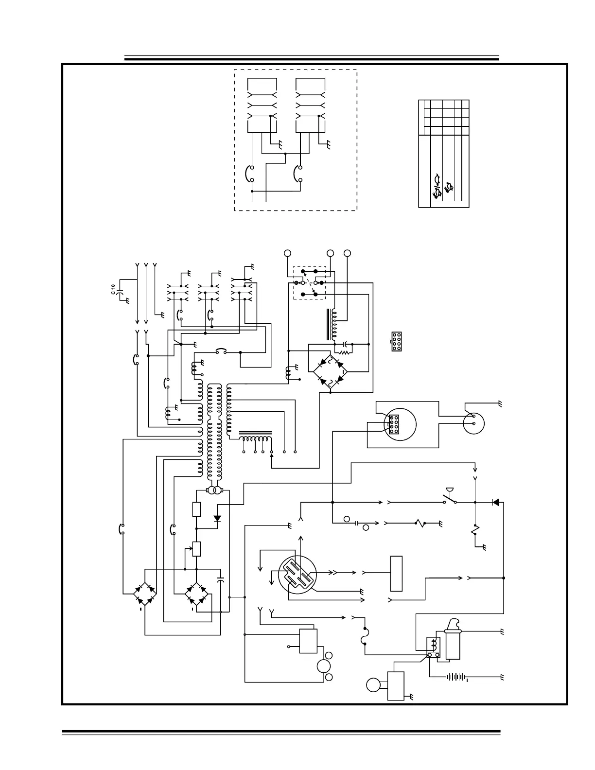
SECTION 7 ELECTRICAL DIAGRAM
22
CR1
44
B
A
43
33
33
a CT1
G
E
B
C
MEV
33
33
33
ALT.
VOLTAGE
REGULATOR
33
9
4
2
3
5
1
6
5
45
40
6
TS1
CR1
12 VOLTS
STARTER
31
31
34
40
BATTERY
12 VOLTS
LOW OIL
PRESSURE
N. O.
+
33
71
W
H
I
T
E
V
I
O
L
E
T
PLG7
PLG7
PLG7
PLG7
PLG7
PLG7
RC7
RC7
RC7
RC7
RC7
RC7
RED
Y
E
L
L
O
W
G
R
E
E
N
Y
E
L
L
O
W
B
R
O
W
N
IGNITION
CONTROL
F6
5
CARBURATOR
SOLENOID
S
T
A
R
T
BA TERT Y
RUN / IDLE
RUN
S
B
L
M
I
SW8
G
F
C
I
-
1
G
F
C
I
-
2
H
H
H
H
N
N
N
N
L
O
A
D
L
O
A
D
L
I
N
E
L
I
N
E
5
0
B
3
3
A
1
2
0
V
1
2
0
V
C
B
1
R
E
C
E
P
T
A
C
L
E
1
2
0
V
-
C
F
C
I
(
O
P
T
I
O
N
A
L
C
B
2
1
2
0
/
2
4
0
V
.
C
B
4
5
0
B
3
3
C
T
1
a
M
E
V
T
e
r
m
.
G
a
M
E
V
T
e
r
m
.
G
S
W
8
-
I
G
N
I
T
I
O
N
S
W
I
T
C
H
S
1
-
P
O
L
A
R
I
T
Y
S
W
I
T
C
H
T
S
1
-
S
O
L
E
N
O
I
D
V
A
L
V
E
M
E
V
-
S
P
E
E
D
M
O
D
U
L
E
C
T
1
-
C
U
R
R
E
N
T
T
R
A
N
S
F
O
R
M
E
R
R
C
4
-
R
E
C
E
P
T
A
C
L
E
,
1
4
S
K
T
F
6
-
I
N
C
L
U
D
E
D
I
N
T
H
E
H
A
R
N
E
S
S
A
C
1
8
1
6
1
6
1
9
1
7
7
P
D
C
Z
S
1
F
3
6
4
W
O
R
K
V
.
C
.
C
2
R
2
S
R
1
3
3
A
3
3
A
C
B
3
C
B
6
CB8
CB7
R
C
4
C
B
1
C
B
2
3
3
3
3
B
W
Y
Y
W
G
G
X
Y
W
G
R
C
1
-
1
2
0
V
.
R
C
2
-
1
2
0
V
.
R
C
3
3
3
3
3
3
3
5
3
C
A
2
E
L
E
C
T
R
O
D
E
5
0
A
5
0
B
3
3
A
26
28
27
29
EXITA IONT
5
3
58
3
3
R
C
6
A
1
5
8
3
3
P
L
G
6
G
3
K
3
3
B
24
22
21
30
33
SR
2
SR
3
23
23
D 4
C 1
33
21
AUXILIARY POWER
REVOLVING FIELD
WELDER
a MEV
Term. “G”
33
33
CT1
9
14
15
13
12
ACZ
19 MIG A
16 MIG B
S 3
+
+
+
N
O
T
E
:
M
U
S
T
B
E
C
O
N
N
E
C
T
T
O
G
R
O
U
N
D
I
N
B
L
O
C
K
E
N
G
I
N
E
A
N
D
C
H
A
S
I
S
R2
R1
DE-00
3
7
REV. B
S
W
8
T
E
R
M
I
N
A
L
P
O
S
I
T
I
O
N
R
U
N
/
I
D
L
E
R
U
N
S
T
A
R
T
O
F
F
I
L
M
X
X
X
X
-
C
O
N
N
E
C
T
I
O
N
W
.
T
E
R
M
I
N
A
L
B
(
+
1
2
)
O
-
C
O
N
N
E
C
T
I
O
N
W
.
G
R
O
U
N
D
X
X
O
O
S
BLUE
BRONC
O
2
5
5
K
X
D
BRONC
O
2
5
5
K
R
C
8
3
1
3
3
3
3
7
2
F
U
E
L
S
E
N
D
E
R
H
O
U
R
M
E
T
E
R
/
F
U
E
L
G
A
U
G
E
1
4
1
4
F
U
E
L
G
A
U
G
E
C
O
N
E
C
T
O
R
5
8

Related product manuals