EasyManua.ls Logo

Congatec Com Express conga-TC570 - Page 30

Congatec Com Express conga-TC570
67 pages
Print Icon
To Next Page IconTo Next Page
To Next Page IconTo Next Page
To Previous Page IconTo Previous Page
To Previous Page IconTo Previous Page
Loading...
Copyright © 2021 congatec GmbH TCTLm02 30/67
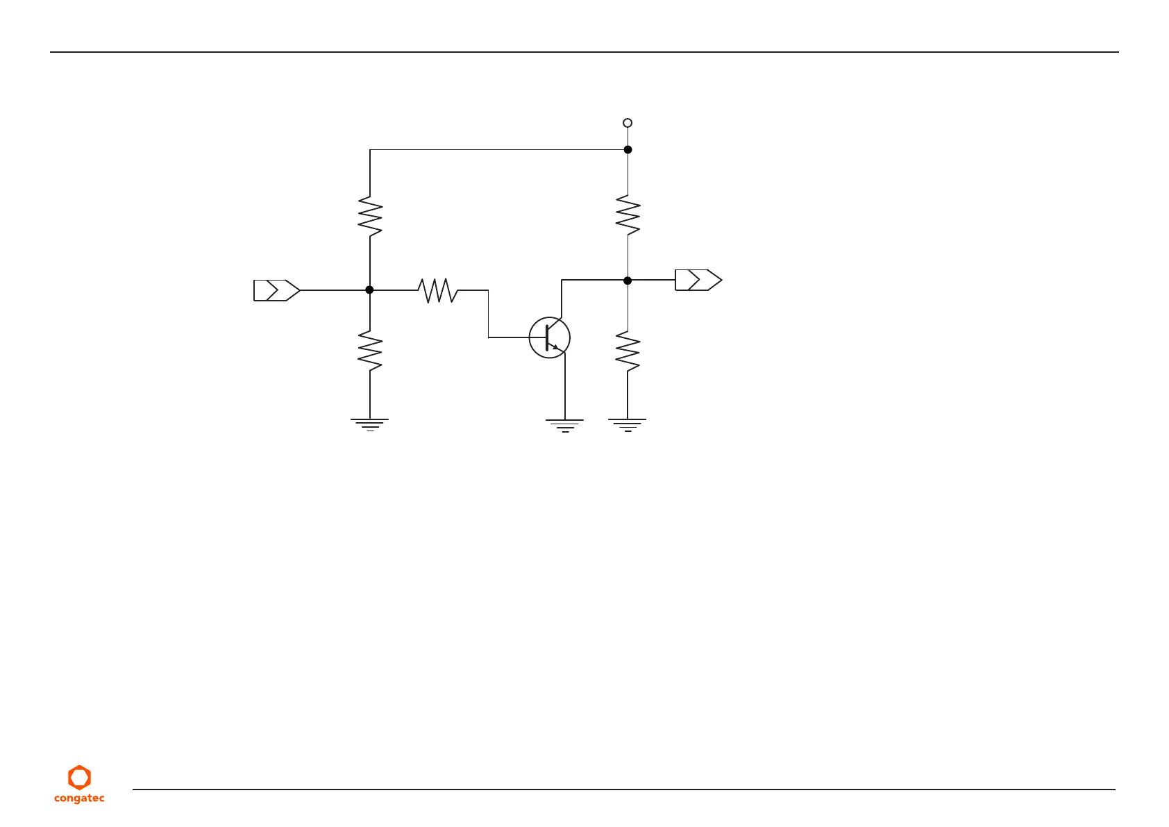
The conga-TC570 PWR_OK input circuitry is implemented as shown below:
The voltage divider ensures that the input complies with 3.3 V CMOS characteristic and also makes it possible to use the module on carrier
board designs that do not drive the PWR_OK signal. Although the PWR_OK input is not mandatory for the onboard power-up sequencing, it
is strongly recommended that the carrier board hardware drives the signal low until it is safe to let the module boot-up.
When considering the above shown voltage divider circuitry and the transistor stage, the voltage measured at the PWR_OK input pin may be
only around 0.8 V when the 12 V is applied to the module. Actively driving PWR_OK high is compliant to the COM Express specification but this
can cause back driving. Therefore, congatec recommends driving the PWR_OK low to keep the module in reset and tri-state PWR_OK when
the carrier board hardware is ready to boot.
The three typical usage scenarios for a carrier board design are:
Connect PWR_OK to the “power good” signal of an ATX type power supply.
Connect PWR_OK to the last voltage regulator in the chain on the carrier board.
Simply pull PWR_OK with a 1k resistor to the carrier board 3.3 V power rail.
With this solution, you must ensure that by the time the 3.3 V is up, all carrier board hardware is fully powered and all clocks are stable.
To Module Power Logic
PWR_OK
R1%4k75S01
TBC847
R1%10kS01
+V12_S
R1%1k00S01
R1%47k5S01
R1%20k0S01

Table of Contents