EasyManua.ls Logo

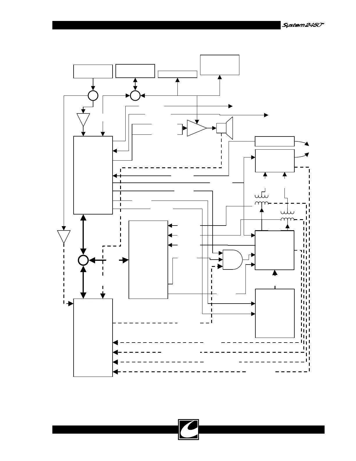
ConMed System 2450 - Figure 3.2 System Block Diagram

Default Icon
36 pages
Print Icon
To Next Page IconTo Next Page
To Next Page IconTo Next Page
To Previous Page IconTo Previous Page
To Previous Page IconTo Previous Page
Loading...
A.R.M
Indicators:
Activation & Mode
Displays
Keyboard Modes /
Power
Activation Request
System Controller
RF Controller
Monitor
RF Amp
RF Output Relays
HV Power Supply
Bip
RFHVSup
MRF H1 SN
MRF HF SN
MRF MP VSN
MRF BP VSN
M ISN
Tone Mon
HFINH
RFDRV
VBPWM
RLY DRV
RF MP VS
RF IS
PFC EN
ACT TONE
AL TONE
RS232
ACT RLY
Serial Interface
Connector
Activation Relay
Connector
Host
Bus
Patient
RF INH
RF BP VS
Mono
VARM
SPI
HVEN
Figure 3.2 System Block Diagram
3-3

Other manuals for ConMed System 2450