EasyManua.ls Logo

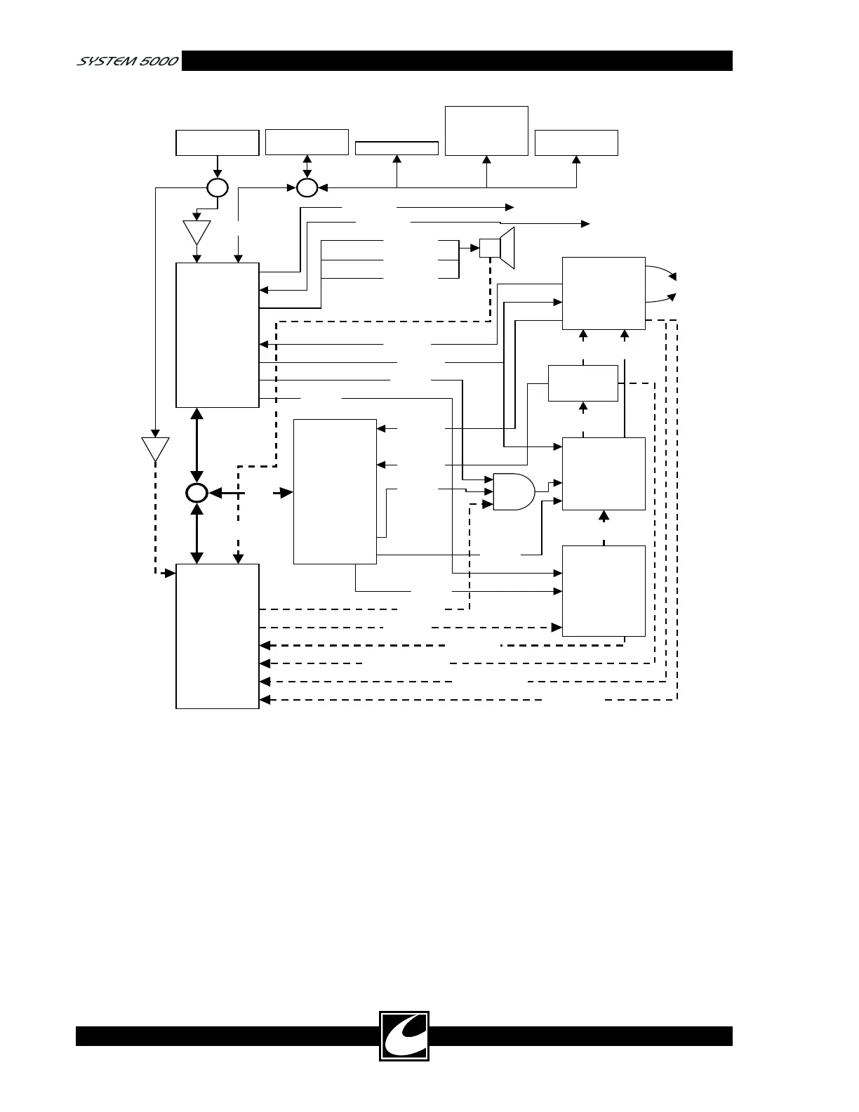
ConMed SYSTEM 5000 - RF Amplifier and Transformer; Figure 3.2 System Block Diagram

ConMed SYSTEM 5000
50 pages
Print Icon
To Next Page IconTo Next Page
To Next Page IconTo Next Page
To Previous Page IconTo Previous Page
To Previous Page IconTo Previous Page
Loading...
3-4
converts the PFC output to an adjustable DC
voltage for use by the RF amplifier.
The System Controller can enable or disable the
PFC section of the HVPS. The PFC is normally
enabled during operation to ensure a resistive load
is presented to the Mains.
The Forward Converter is a switch-mode power
converter that adjusts its operating frequency
between 25KHz and 100KHz to ensure proper
resolution for the commanded output volt-
age. Isolation between Mains power and the
HVPS output occurs in the Forward Converter.
Forward Converter output voltage is set from the
RF Controller by the /HVSET signal. The RF
Monitor enables the output of the HVPS. The
forward converter includes current limiting on the
output and has provisions to shutdown when the
output of the Low Voltage Supply exceeds limits.
3.2.2 RF Amplifier and Transformer
The RF Amplifier and Transformer portions use
a switch-mode resonant amplifier to convert the
power from the HVPS to the RF energy neces-
Figure 3.2 System Block Diagram
Real Time
Clock (5K)
Indicators:
Power, Mode,
& bipolar
current
Displays
Keyboard
Modes / Power
Activation
Request
System
Controller
RF Controller
RF Monitor
RF Amp
RF Output
Board
HV Power
Supply
Bip
Mon
RFHVSup
MRF H1 SN
MRF H2 SN
MRF FT SN
MRF BP ISN
MRF BP VSN
MRF MP ISN
MRF MP VSN
M HVDC
/HV EN
Tone
Mon
WF EN
WFORM
DAMP
CNTL
RLY DRV
RF BP IS
RF BP VS
RF MP IS
RF MP VS
HV SET
PFC EN
BIP TONE
ACT TONE
AL TONE
RS232
ACT RLY
Serial Interface
Connector
Activation Relay
Connector
Host
Bus
SPI
Patient
RF INH
Mon
RF
Transformer
Board
VARM

Table of Contents

Other manuals for ConMed SYSTEM 5000

Related product manuals