EasyManua.ls Logo

Consilium PG11 - 1.2 Dimensions PG11

Consilium PG11
43 pages
Print Icon
To Next Page IconTo Next Page
To Next Page IconTo Next Page
To Previous Page IconTo Previous Page
To Previous Page IconTo Previous Page
Loading...
Operating Manual PG11 / PGE11 Page 7
Approvals
Ex db eb ib IIC T5 Gb
Class I, Division 1, Groups B, C and D (Pending)
MED, BV, LR, DnV GL, ABS type approvals
SIL2, and SIL3 in 1oo2 redundancy setup (Pending)
* The accuracy is specified for room temperature +25°C.
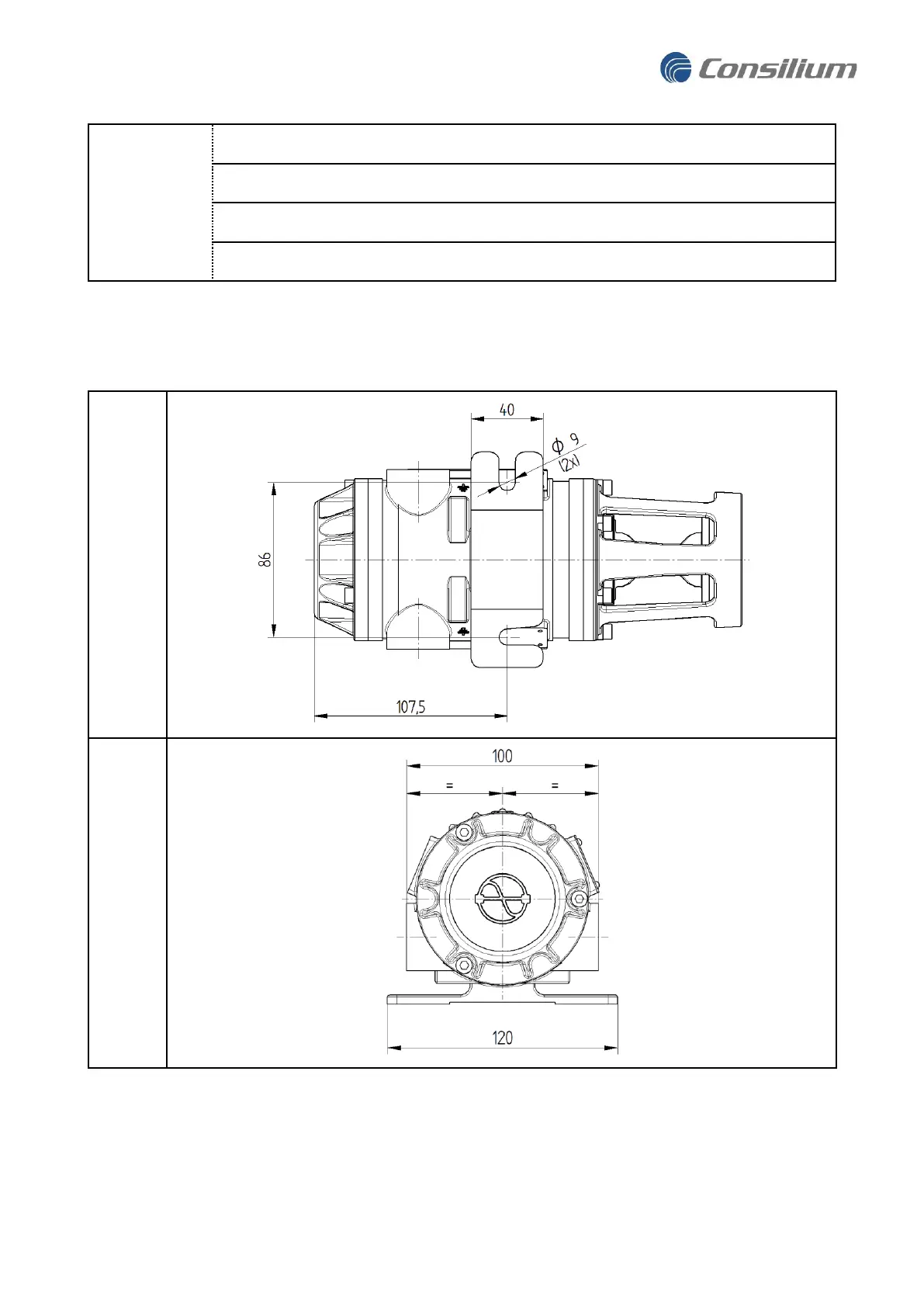
1.2 Dimensions PG11
Mount
Width

Table of Contents

Related product manuals