EasyManua.ls Logo

Contherm MITRE 4150 - REFRIGERATION SCHEMATIC DIAGRAM

Contherm MITRE 4150
74 pages
Print Icon
To Next Page IconTo Next Page
To Next Page IconTo Next Page
To Previous Page IconTo Previous Page
To Previous Page IconTo Previous Page
Loading...
MANUALP/4000_SERVICE_0712 July2012
28
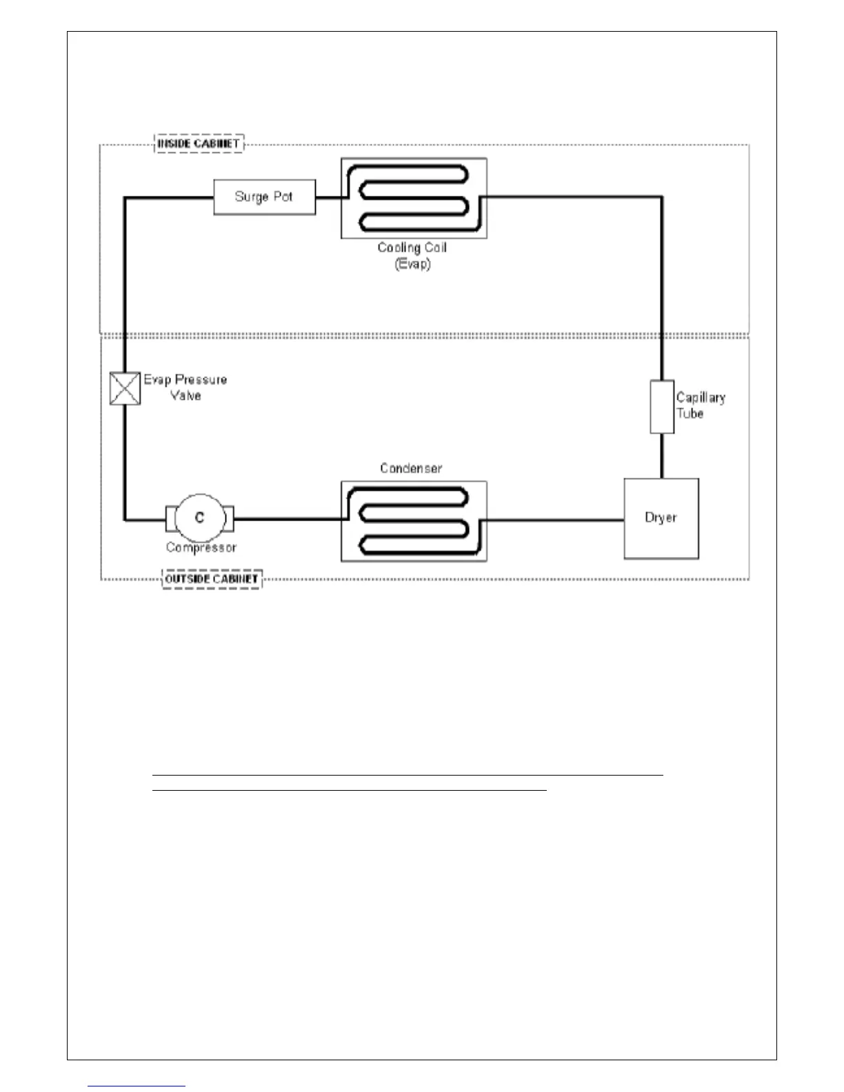
REFRIGERATION SCHEMATIC DIAGRAM
REFRIGERATION UNIT DATA (Cooled Units ONLY):
Model: 4150C 4200C 4400C
Compressor: Electrolux GL45AA Electrolux GL45AA Electrolux GL45AA
Compressor:* L’Unite THB1340Y L’Unite THB1340Y L’Unite THB1340Y
Condensor: S12/21 S12/21 S20/21
Cooling Coil: G6/15 G6/21 G10/21
Evap Valve: Danfoss KVP12 Danfoss KVP12 Danfoss KVP12
Refrigerant: R134a R134a R134a
Refrigerant Control: Capillary Type 5/044 Capillary Type 5/044 Capillary Type 6/044
Dryer Sweat Type 256/XH9 Sweat Type 256/XH9 Sweat Type 256/XH9
Comp Cooling Fan: (ALL Models) SUNON 38/2/23HTB
* For operation with a 60hz supply.

Table of Contents

Related product manuals