EasyManua.ls Logo

Control Techniques Unidrive 1 Series - Page 132

Control Techniques Unidrive 1 Series
208 pages
Print Icon
To Next Page IconTo Next Page
To Next Page IconTo Next Page
To Previous Page IconTo Previous Page
To Previous Page IconTo Previous Page
Loading...
Safety
Information
Product
Information
Mechanical
Installation
Electrical
Installation
Getting
Started
Menu 0
Running
the motor
Optimisation Macros
Advanced
Parameters
Technical
Data
Diagnostics
UL Listing
Information
132 Unidrive User Guide
www.controltechniques.com Issue Number: 9
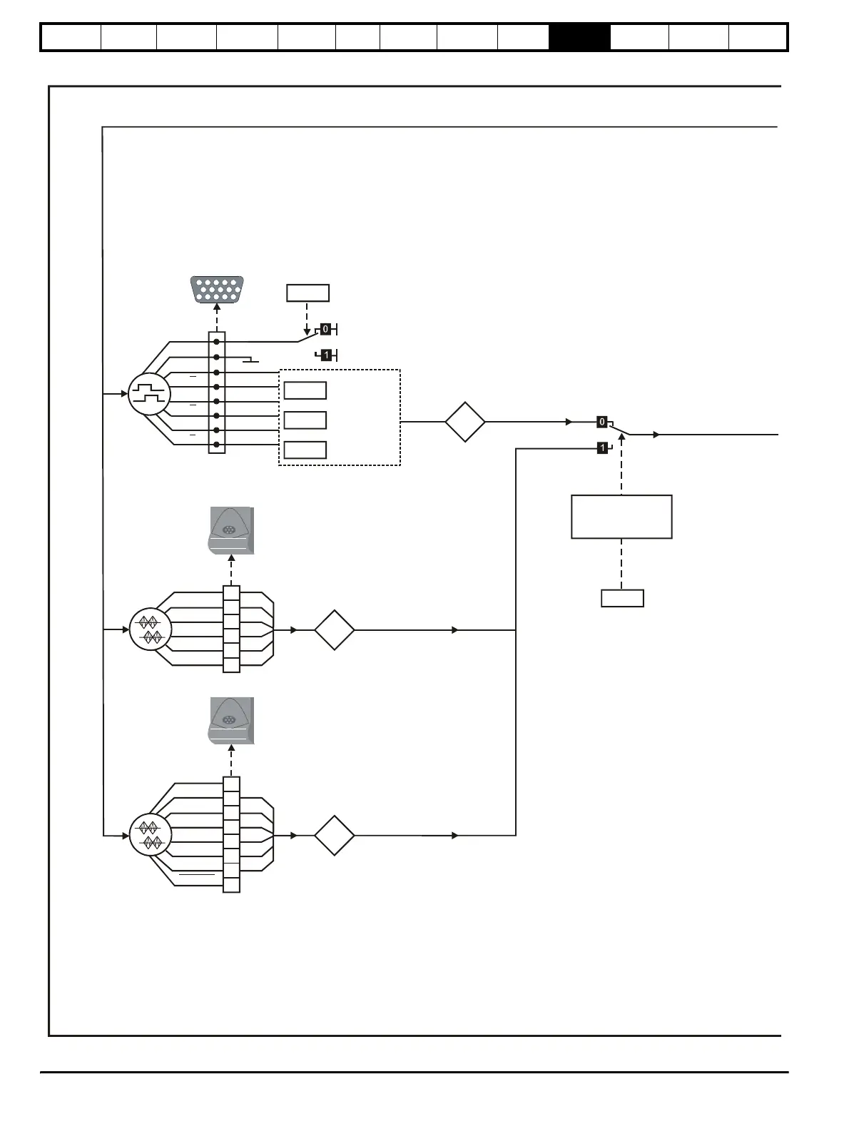
Figure 10-4 Menu 3 Closed-loop logic diagram
A
A
B
B
Z
Z
+V
0V
15 way sub-D
connector
48
49
50
51
52
53
UD53
Resolver option
module
Sin. high
Sin. low
Cos. low
Cos. high
Exit. high
Exit. low
Encoder
Resolver
13
14
1
2
3
4
5
6
5V
15V
3.23
Encoder 1 supply
voltage select
3.26
Encoder 1
speed
16.02
Resolver
RPM
41
42
43
44
45
46
UD52
SIN COS option
module
Sin. ref
Cos. in
Cos. ref
0V
+V
SC data
SIN COS
16.02
SIN COS
Encoder RPM
40
47
Sin. in
SC data
3.21
3.22
No. of encoder
lines / Pulses
per revolution
Frequency
input select
3.24
Termination
resistors
16.14
Select SIN COS
encoder as auxiliary
encoder enable
UD52 SIN COS or
UD53 Resolver
option module fitted

Table of Contents

Related product manuals