EasyManua.ls Logo

Corghi A 2030 - Page 65

Corghi A 2030
Print Icon
To Next Page IconTo Next Page
To Next Page IconTo Next Page
To Previous Page IconTo Previous Page
To Previous Page IconTo Previous Page
Loading...
A 2030 - A 2025 - A 2022 - A 2018 - A 224 A - A 224
Manuale Operatore 65
I
DV - 3Ph
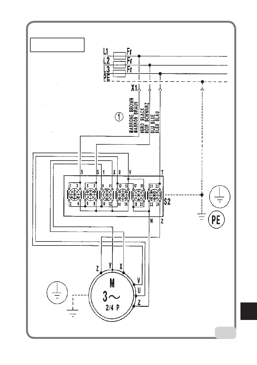
43c
Schema cod. 4-136056

Table of Contents