EasyManua.ls Logo

Cornelius C10 - C20 Wiring Diagram (Model 06 1 0501 XX); C20 Wiring Diagram (Model 06 1 0502 XX)

Cornelius C10
17 pages
Print Icon
To Next Page IconTo Next Page
To Next Page IconTo Next Page
To Previous Page IconTo Previous Page
To Previous Page IconTo Previous Page
Loading...
15
®
C10/C20 Manual
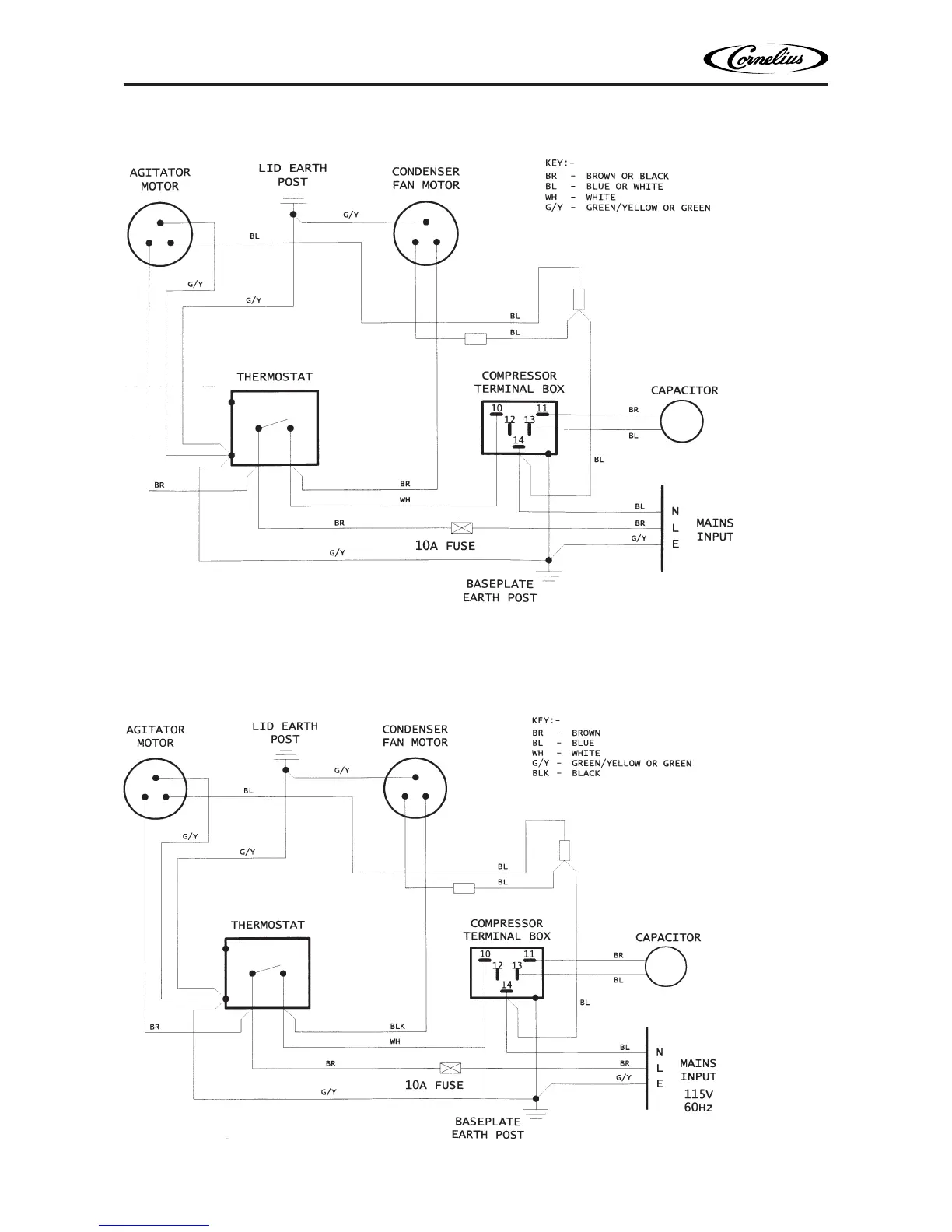
17. C20 (06 1 0501XX) WIRING DIAGRAM
18. C20 (06 1 0502XX) WIRING DIAGRAM

Related product manuals