EasyManua.ls Logo

Craftsman 247.299321 - PARTS LIST; TILLER PARTS DIAGRAM

Craftsman 247.299321
72 pages
Print Icon
To Next Page IconTo Next Page
To Next Page IconTo Next Page
To Previous Page IconTo Previous Page
To Previous Page IconTo Previous Page
Loading...
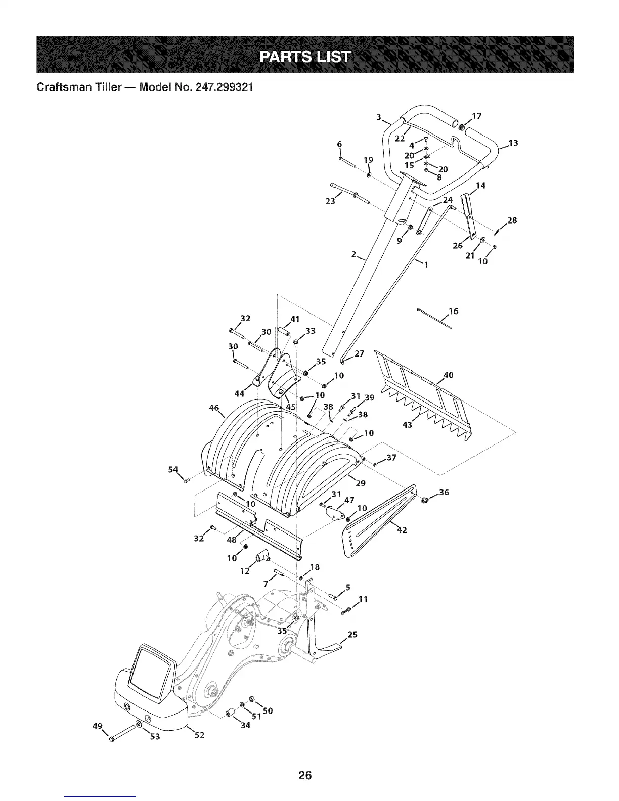
Craftsman Tiller B IViodel No. 247.299321
17
6
23
21
14
_\\ 7 28
/
7
10
46
\
32
3O
\
44
3O
_10
27
10
39
/
43
10
4O
54
/-"
p_36
18
25
49
\
-_\51 50
34
26

Table of Contents

Related product manuals