EasyManua.ls Logo

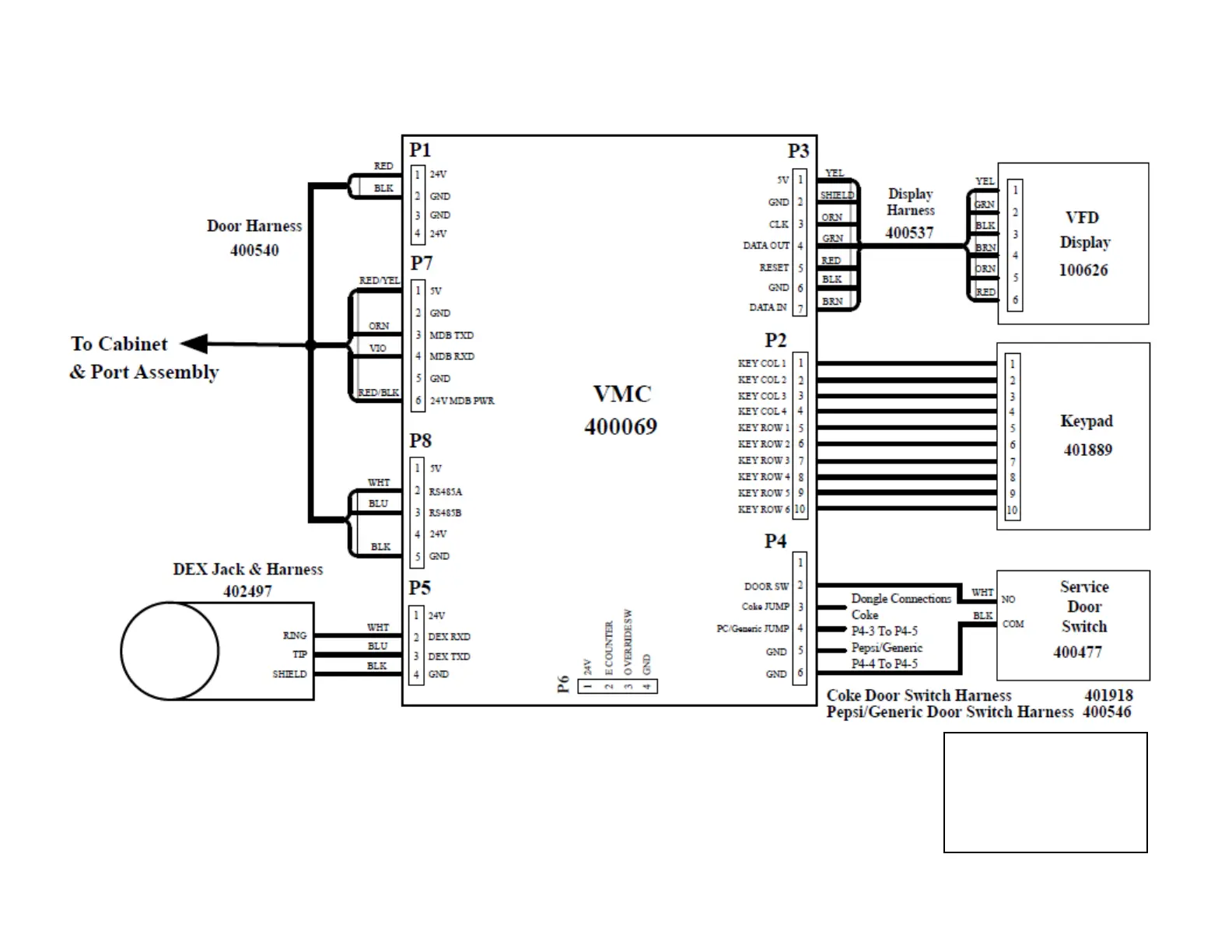
Crane BevMAX Refresh 4 5800-4 - Door Electronics Diagram

Crane BevMAX Refresh 4 5800-4
62 pages
Print Icon
To Next Page IconTo Next Page
To Next Page IconTo Next Page
To Previous Page IconTo Previous Page
To Previous Page IconTo Previous Page
Loading...
Page 57 of 62
New Electronics Platform BevMax 4 5800-4 & 3800-4 Classic Door Electronics Diagram (Domestic & Export)
New Electronics Platform
BevMax 4 Classic
Door Electronics Diagram
Pg. 1 of 4
400588

Table of Contents

Related product manuals