EasyManua.ls Logo

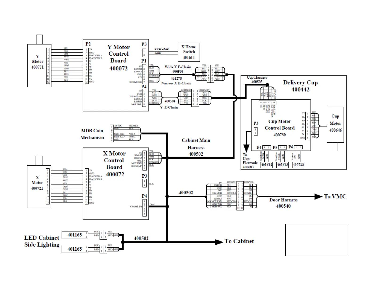
Crane BevMAX Refresh 4 5800-4 - XY Mechanism Electronics Diagram

Crane BevMAX Refresh 4 5800-4
62 pages
Print Icon
To Next Page IconTo Next Page
To Next Page IconTo Next Page
To Previous Page IconTo Previous Page
To Previous Page IconTo Previous Page
Loading...
Page 60 of 62
New Electronics Platform BevMax 4 5800-4 & 3800-4 Classic XY Mechanism Electronics Diagram (Domestic & Export)
New Electronics Platform
BevMax 4 Classic
XY Mechanism
Electronics Diagram
Pg. 4 of 4
400588

Table of Contents

Related product manuals