EasyManua.ls Logo

Crow Arrowhead Elite V6 - PCB Wiring Instructions

Crow Arrowhead Elite V6
84 pages
Print Icon
To Next Page IconTo Next Page
To Next Page IconTo Next Page
To Previous Page IconTo Previous Page
To Previous Page IconTo Previous Page
Loading...
Page 9
Listn.
Data
Clock
Neg
Pos
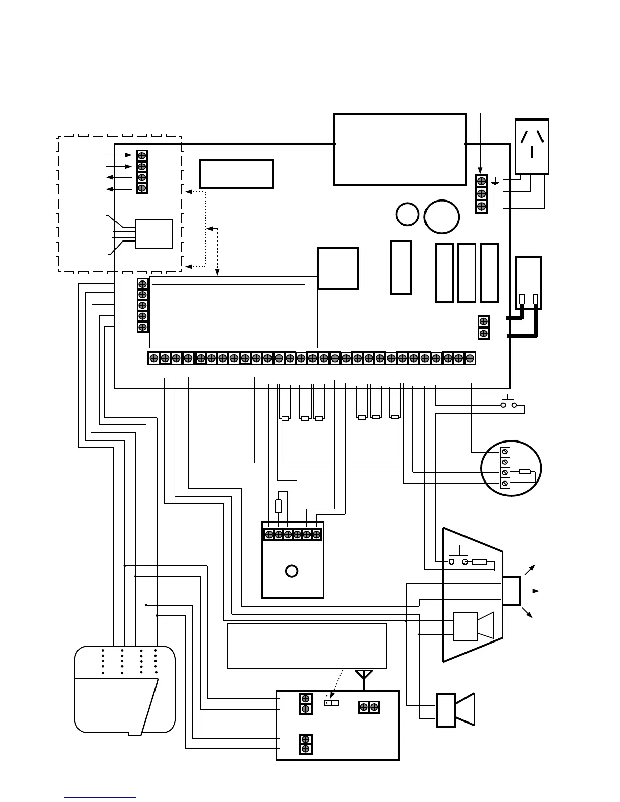
Mode 3 (Type 600) Plug And Wall Socket Wiring;
Before calling Crow tech. Support or your supplier
Re: Phone Line or Dialler reported issues, please ensure
that the Mode-3 socket on the wall is wired as per below.
********** Observe Line In / Out Polarities **********
Terminal 6 = Tip-In = “ + ” side of Line-In from Street
Terminal 2 = Ring-In = “ - ” side of Line-In from Street
Terminal 5 = Tip-Out = “ + ” side of Line-Out to Int. Phones
Terminal 1 = Ring-Out = “
-
” side of Line-Out to Int. Phones
AC
Outputs
PCB WIRING INSTRUCTIONS
com
Battery
com
1&9
2&10
3&11
4&12
0V
Tmp
0V
12V
Heatsink
Serial Socket
Red
Blk
+
_
Optional (5th wire) Listen-in Keypad Connection
Passive Infra-
Red Detector
Tmp
Tmp
N/C
Com
0V
12V
2k2
+
_
Internal Alarm-Piezo
Crow Power
Wave-16 / Ver6.20
12v
0v
2k2
Latching Smoke Detector with
Normally Open Contacts
3A
F3
1.5A
F2
1.5A
F1
Telephone Line
Connections
0V
12
1 3 2 4 5 6 7 8
5&13
com
6&14
7&15
com
8&16
com
Key
12V
Ext Siren Box with
Siren/Strobe/Tamper.
+
_
+
_
2k2
Panel Tamper
AC
17V
2k2
2k2
2k2
2k2
2k2 2k2
16VAC
1.5Amp
Mains Earth
From Power
Pack
RJ11
Phone
Socket
In
Out
From ‘ + ’
Street ‘ -
To
‘ - ’
Phone
‘ + ’
Line Out (‘ + ’)
To Phones
( Tip-Out )
Line Out (‘ - ’)
To Phones
( Ring-Out )
Line In
From
Street
‘ + ’ Tip-In
‘ - ’ Ring-In
P/Wave-16
Keypad
Wireless Receiver “Bit” set jumper.
On = 24 Bit /
OFF = 40 Bit
( Leave OFF (on 1 pin only) for any type of
Crow Wireless Product, since Crow
products are 40 Bit setting compatible).
Pos
Neg
Clock
Data
Gnd Ant
RX-16 / 40
303 or 433 MHz
Wireless Receiver

Related product manuals