EasyManua.ls Logo

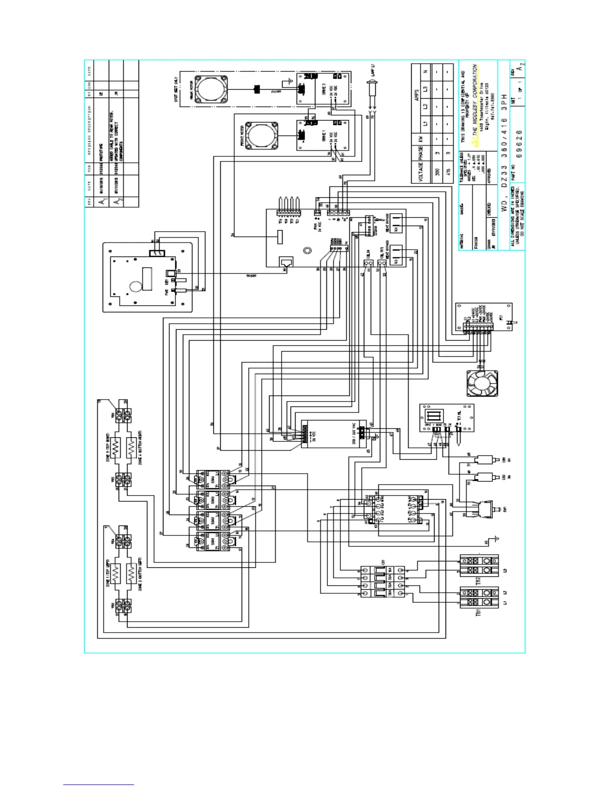
CTX DZ33I - DZ331, 380;415 V, 3 Ph Schematic

CTX DZ33I
53 pages
Print Icon
To Next Page IconTo Next Page
To Next Page IconTo Next Page
To Previous Page IconTo Previous Page
To Previous Page IconTo Previous Page
Loading...
50
B. DZ33I, 380/415V, 3 Ph Schematic
C. DZ33I, 230V CE, 3 Ph Schematic

Related product manuals