EasyManua.ls Logo

CZone Touch 7 - 3.5 Connections Overview

CZone Touch 7
23 pages
Print Icon
To Next Page IconTo Next Page
To Next Page IconTo Next Page
To Previous Page IconTo Previous Page
To Previous Page IconTo Previous Page
Loading...
EN / CZone® Touch 7 User & Installation Manual
14
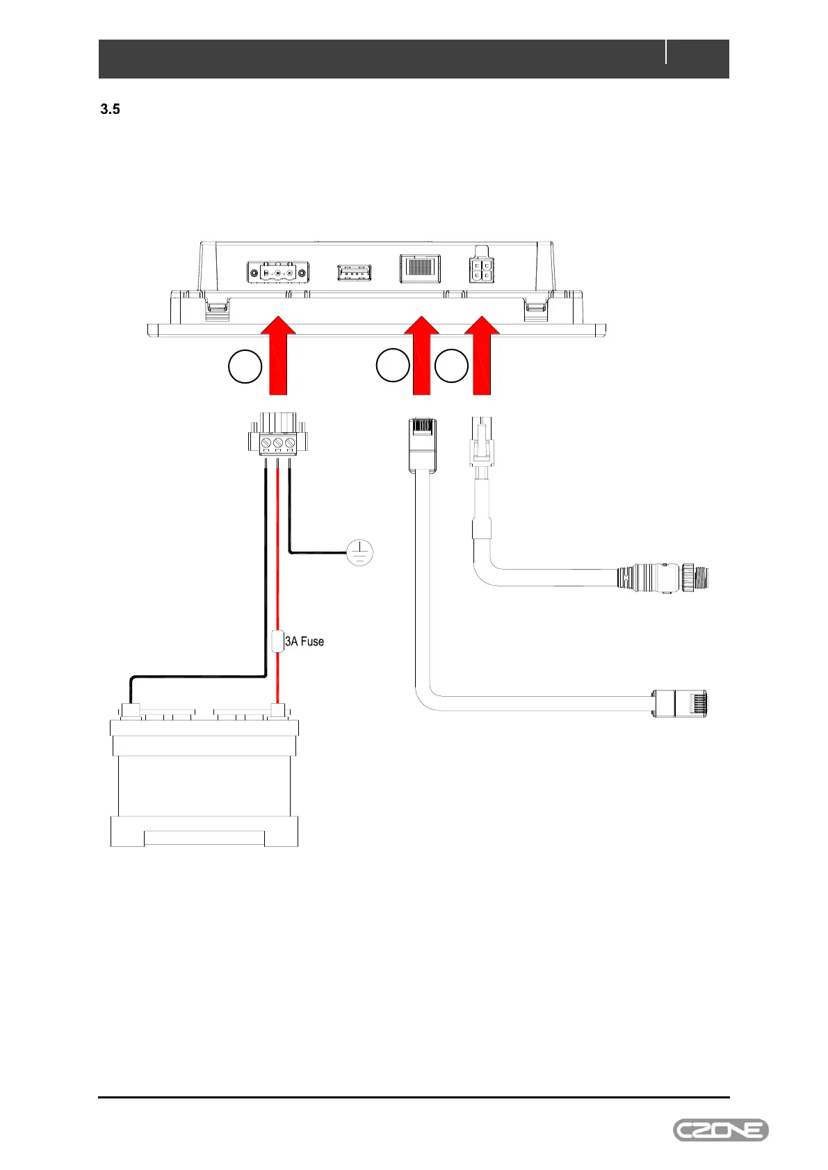
Connections
Warning! Before starting the installation, be sure to turn electrical power off. If power is left on
or turned on during the installation, fire, electrical shock, or other serious injury may occur. Be
sure that the voltage of the power supply is compatible with the unit.
Figure 11. Connections
BATTERY
+
-
1
2
3
To Network Router
(Optional)
To NMEA2000
Network

Related product manuals