EasyManua.ls Logo

Da-Lite Cosmopolitan Electrol - Page 9

Da-Lite Cosmopolitan Electrol
16 pages
Print Icon
To Next Page IconTo Next Page
To Next Page IconTo Next Page
To Previous Page IconTo Previous Page
To Previous Page IconTo Previous Page
Loading...
9
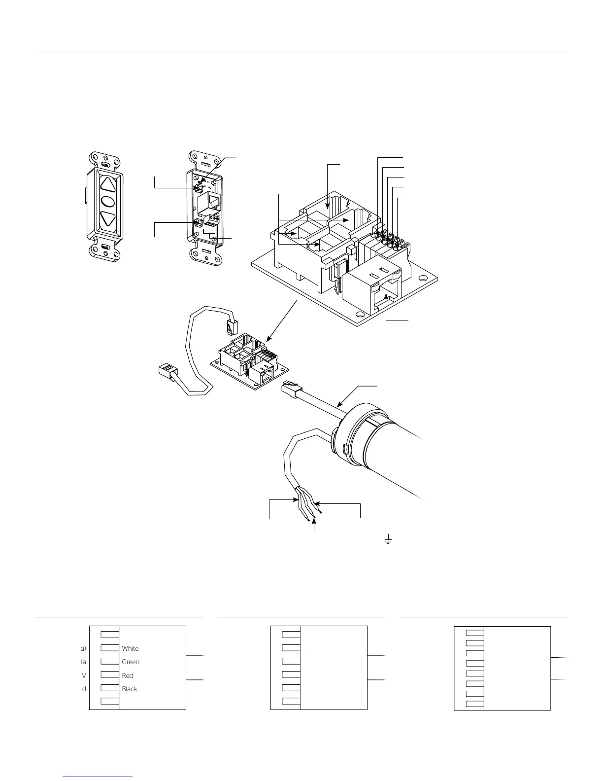
220V Wiring Diagram with Optional Built-In Low Voltage Control
RJ45
Receptacle
RJ22
Output
RJ22
Inputs
Up (Dry Contact)
Down (Dry Contact)
Common (Both)
Bus (Bus)
5V (Bus)
UP
STOP
DOWN
BUS
COM
5V
Front of
Wall Switch
Bus
UP
STOP
DOWN
BUS
COM
5V
LED
Up Limit
Tactile Button
Down Limit
Tactile Button
Back of
Wall Switch
RJ22 Pin-Outs (Tab Is Facing Down)
Standard RJ22 can be used in place of RJ14 cable
Bus (RP Data)
+12V
RQ Clock
RQ Data
+5V
Ground
Yellow
Red
Green
Black
White
Blue
RJ45 Pin-Outs (Tab Is Facing Down)
+12V
Manual 2
Ground
Manual 1
RQ Clock
Bus (RP Data)
RQ Data
+5V
Blue
Green
Yellow
Red
Black
Orange
Purple
Brown
220V Wiring Diagram with Operation & Limit Adjustment Wall
Switch
3-conductor 2024 gauge wire can be used in place of the supplied
RJ14 cable to connect the wall switch. Connect the BUS terminals on
the wall switch to the corresponding BUS terminals on the splitter
board.
IMPORTANT NOTE: The wall switch is REQUIRED to make any limit
switch adjustments, EVEN if a third party control system is used.
Therefore, it is advised to wire the switch or provide a 3-conductor
connection that is accessible.
UP
STOP
DOWN
BUS
COM
5V
Power Input 220VAC / 50Hz
Green / Yellow (Ground)
Blue
(Hot)
Brown
(Common)
Power
Wire
Data
Cable
RJ45 Jack
RJ22 Jack
(Connection to
Wall Switch)
RJ22
Jack
RJ14 Pin-Outs (Tab Is Facing Down)
Supplied RJ14 cable
Bus (RP Data)
RQ Data
+5V
Ground
White
Green
Red
Black

Related product manuals