EasyManua.ls Logo

Dacor ECPD - MRE Ladder Diagram

Dacor ECPD
159 pages
Print Icon
To Next Page IconTo Next Page
To Next Page IconTo Next Page
To Previous Page IconTo Previous Page
To Previous Page IconTo Previous Page
Loading...
MRE30 Page 14
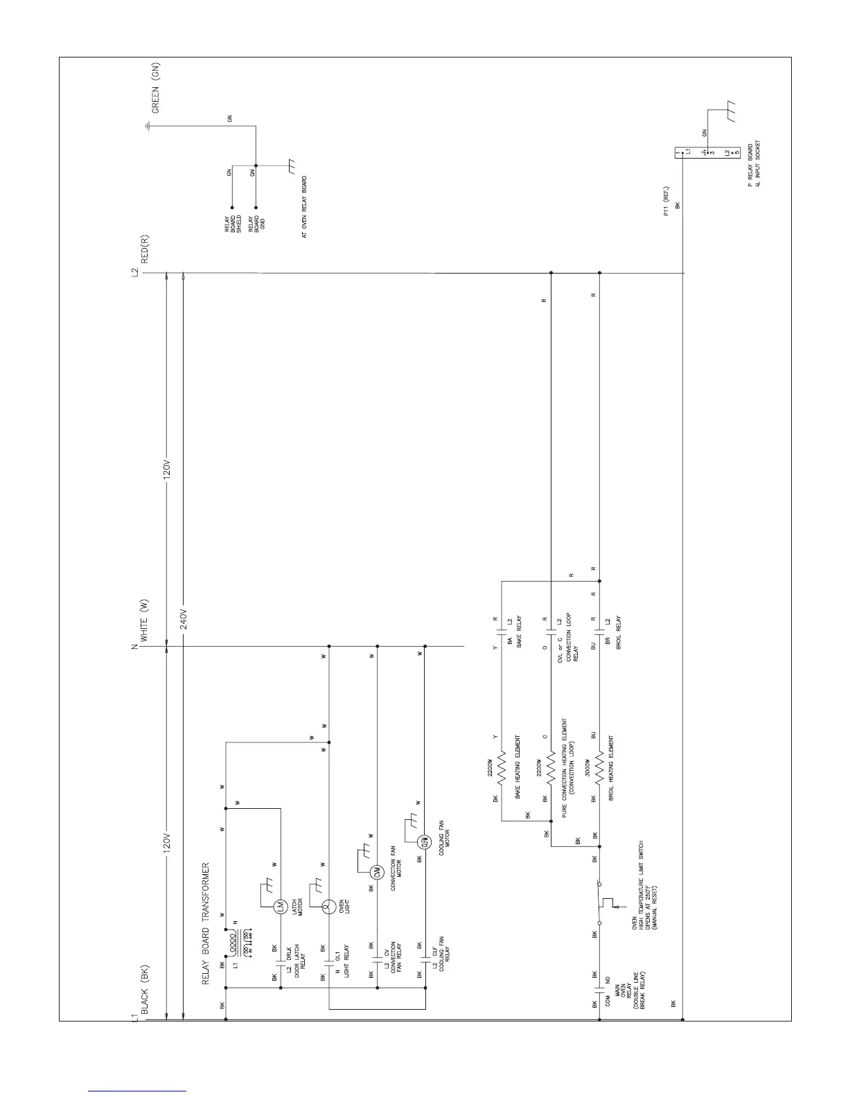
MRE LADDER DIAGRAM
PART 1
(continued on following page)

Table of Contents

Related product manuals