EasyManua.ls Logo

Dacor ECPD - CPS Single Convection

Dacor ECPD
159 pages
Print Icon
To Next Page IconTo Next Page
To Next Page IconTo Next Page
To Previous Page IconTo Previous Page
To Previous Page IconTo Previous Page
Loading...
Technical Manual - Page 121
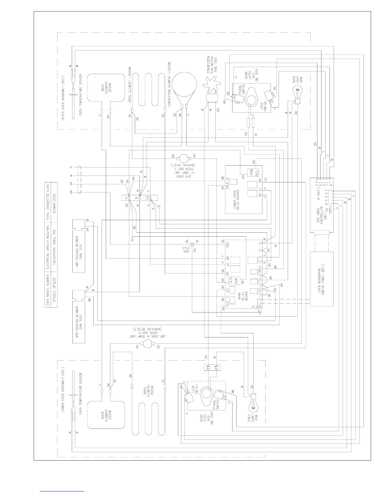
CPS SINGLE CONVECTION

Table of Contents

Related product manuals