EasyManua.ls Logo

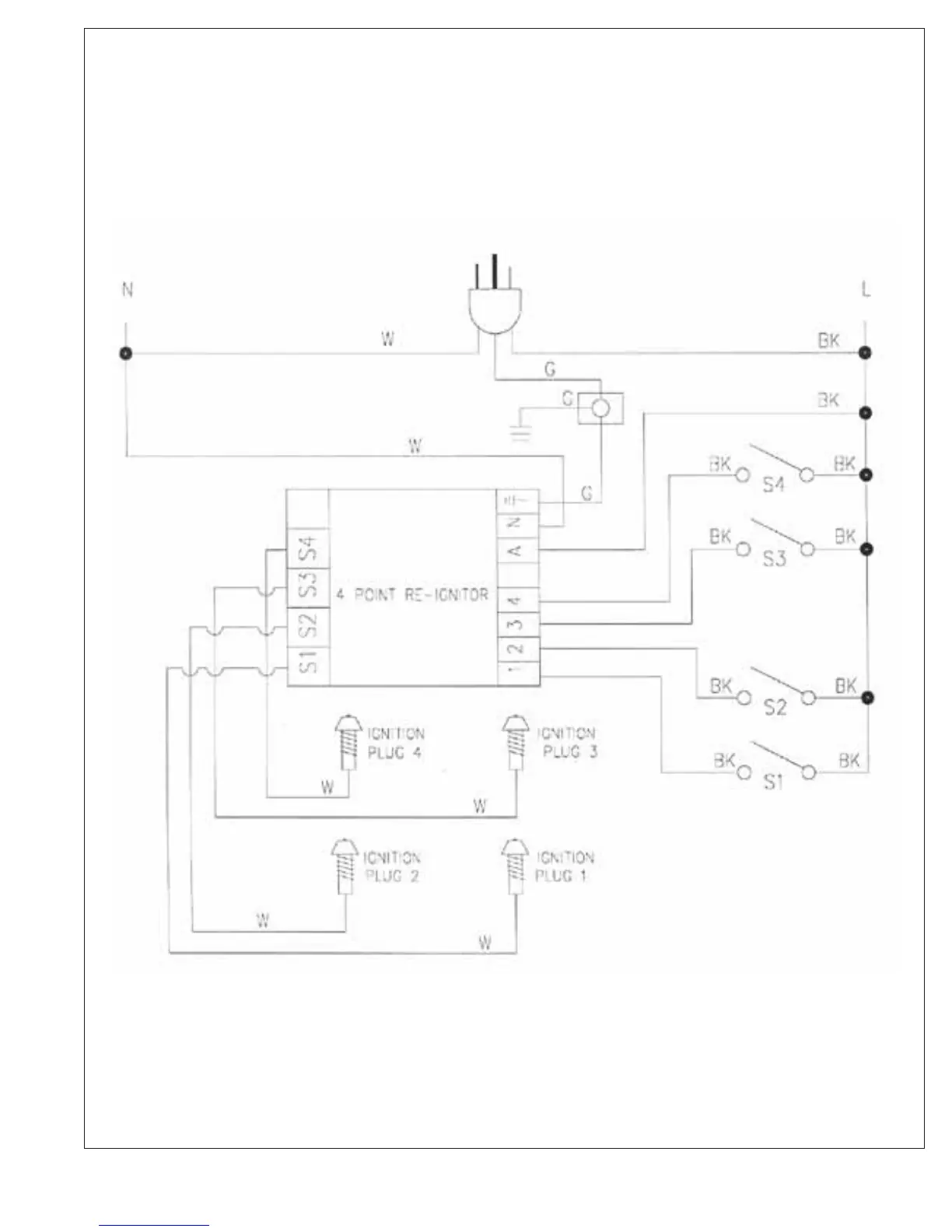
Dacor ECPD - SGM304, 364 Diagram

Dacor ECPD
159 pages
Print Icon
To Next Page IconTo Next Page
To Next Page IconTo Next Page
To Previous Page IconTo Previous Page
To Previous Page IconTo Previous Page
Loading...
Technical Manual - Page 48
SGM304, 364

Table of Contents

Related product manuals