EasyManua.ls Logo

Dacor ERSD - Page 109

Dacor ERSD
159 pages
Print Icon
To Next Page IconTo Next Page
To Next Page IconTo Next Page
To Previous Page IconTo Previous Page
To Previous Page IconTo Previous Page
Loading...
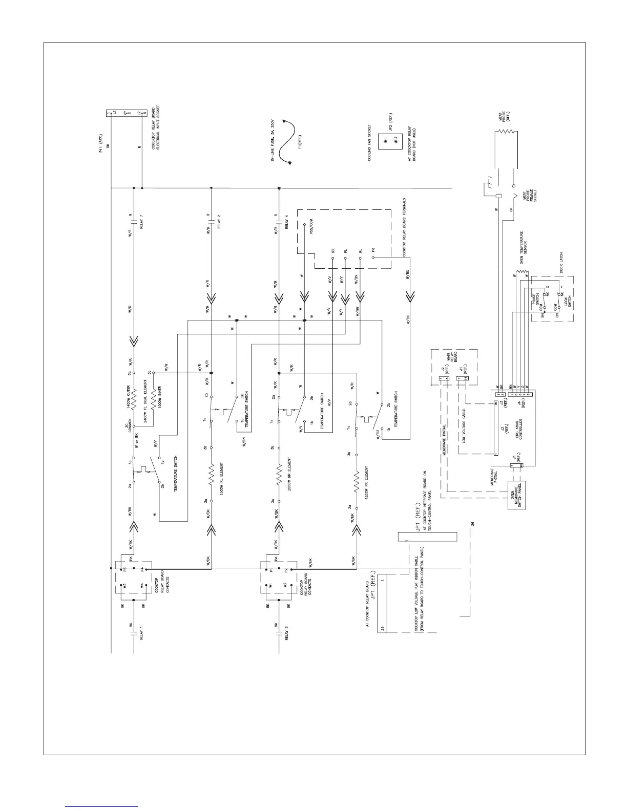
MRE30 Page 15
MRE LADDER DIAGRAM
PART 2

Table of Contents

Related product manuals