EasyManua.ls Logo

Dacor ERSD - CPS Single Convection

Dacor ERSD
159 pages
Print Icon
To Next Page IconTo Next Page
To Next Page IconTo Next Page
To Previous Page IconTo Previous Page
To Previous Page IconTo Previous Page
Loading...
Technical Manual - Page 121
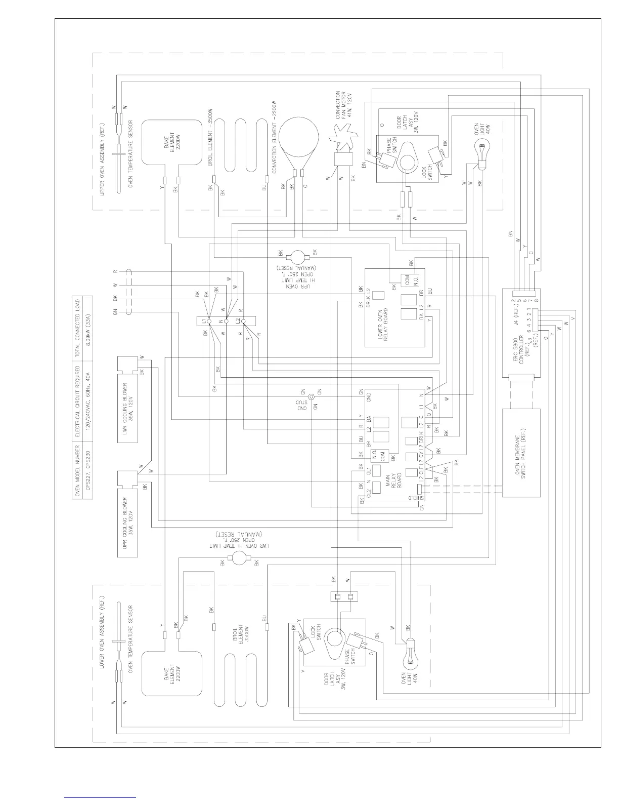
CPS SINGLE CONVECTION

Table of Contents

Related product manuals