EasyManua.ls Logo

Dacor ERSD - SGM362 EM Diagram

Dacor ERSD
159 pages
Print Icon
To Next Page IconTo Next Page
To Next Page IconTo Next Page
To Previous Page IconTo Previous Page
To Previous Page IconTo Previous Page
Loading...
Technical Manual - Page 49
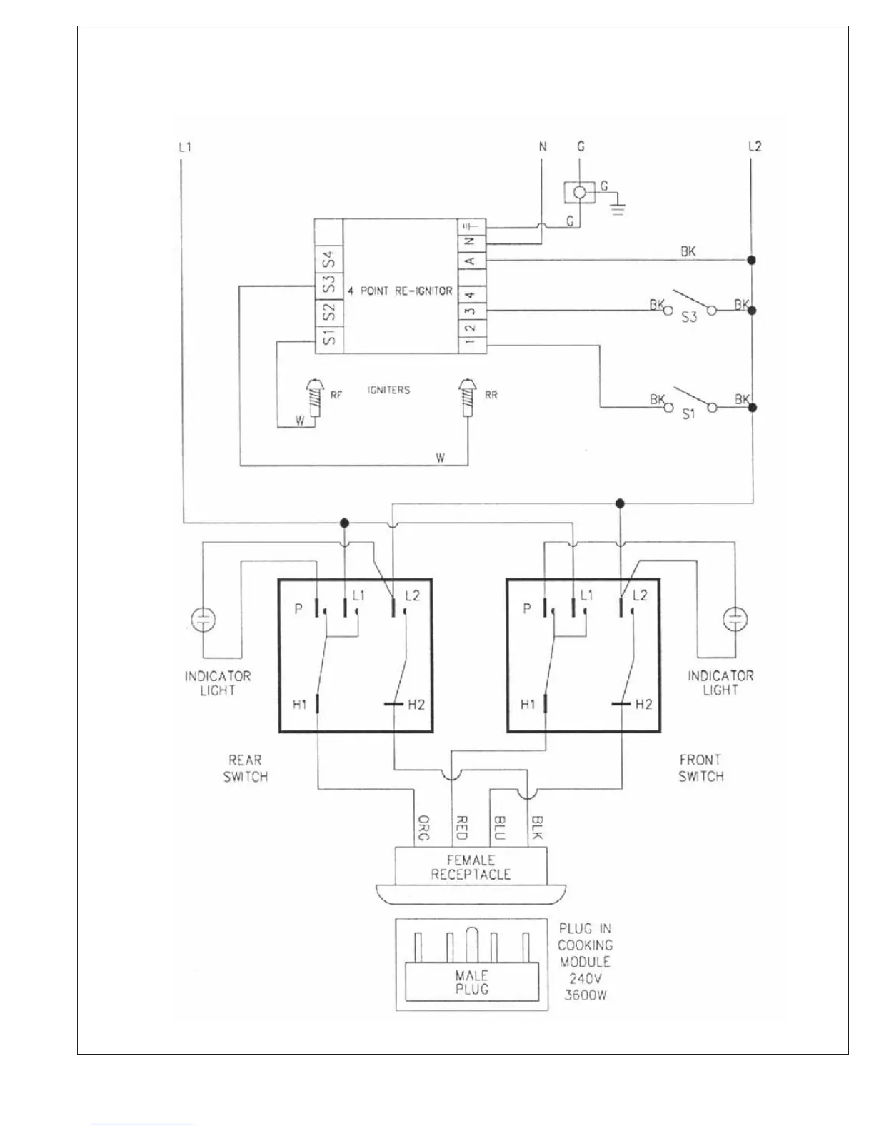
SGM362EM

Table of Contents

Related product manuals