EasyManua.ls Logo

Daikin LXE10E-A - Page 166

Daikin LXE10E-A
238 pages
Print Icon
To Next Page IconTo Next Page
To Next Page IconTo Next Page
To Previous Page IconTo Previous Page
To Previous Page IconTo Previous Page
Loading...
6-24
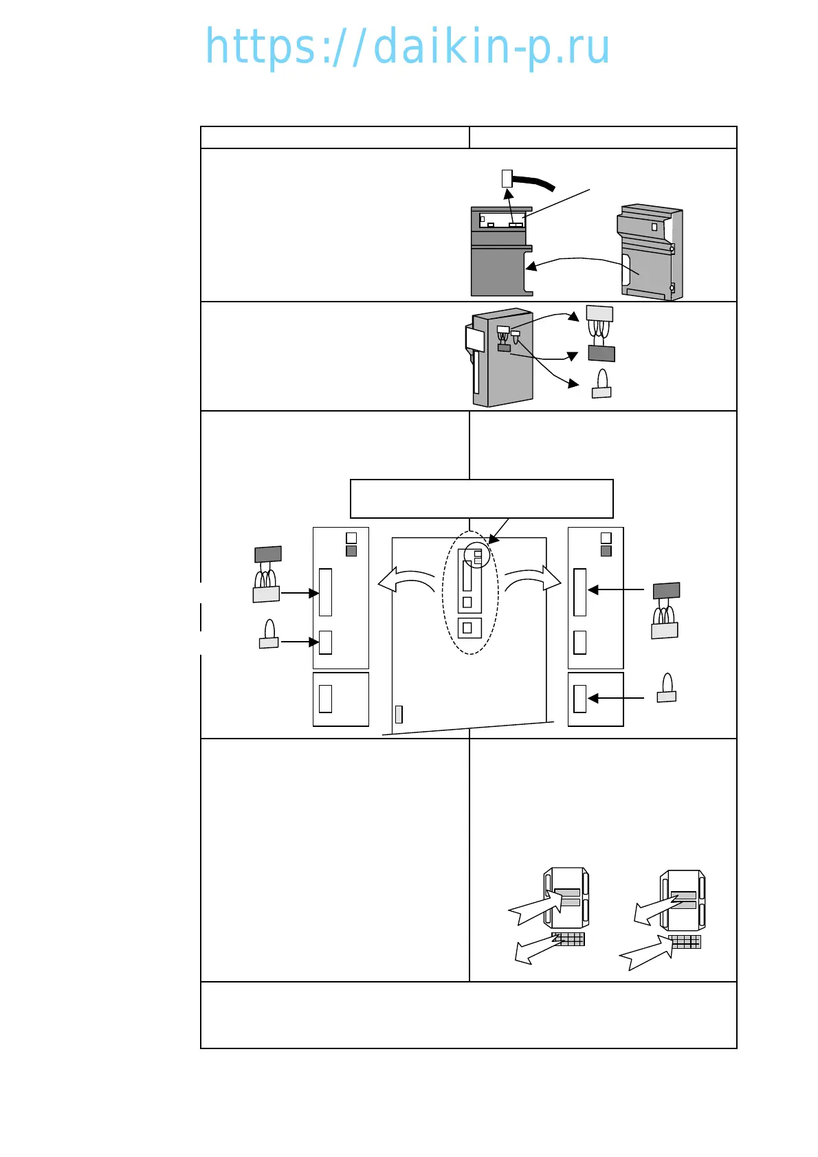
For cutting off q Turn the circuit breaker OFF.
w Disconnect the power supply
connector CN82(White) on SMV
adapter board.
the power to
CPU board
For making the
e Remove Short Circuit Connector
SCC1-1(Blue), SCC1-2(Red) and
SCC2(Blue) stored on back of
controller.
forced running
of COMP.,
CFM and EFM.
r Connect Short Circuit Connector
SCC1-1(Blue) to CN8 and SCC2
(Blue) to CN9 on terminal board.
r Connect Short Circuit Connector
SCC1-2(Red) to CN8 and SCC2
(Blue) to CN10 on terminal board.
Disconnect CN82 (White)
Open cover
SMV adapter
SCC1-1(Blue)
SCC2(Blue)
SCC1-2(Red)
For checking t Turn the circuit breaker ON.
If the power is in reverse phase,
COMP. can not be run and CFM
runs reversely.
t Turn the circuit breaker ON.
If the power is in reverse phase,
EFM runs reversely with high speed.
Then fresh air is sucted to Outlet
Hole and discharged from Inlet Hole
at the ventilator.
reverse phase
power
For correcting y If it is in reverse phase, turn the circuit breaker OFF and replace the
reverse phase correction socket to opposite side.
("Lower socket CN-C1 to Upper CN-C2" or "Upper CN-C2 to Lower CN-C1")
reverse phase
power
Cooling Operation Heating Operation
SCC1-2(Red)
SCC2(Blue)
Terminal Board
CN5(Red)
SCC1-1(Blue)
SCC2(Blue)
CN-C1 & CN-C2 : Reverse phase
correction socket (Refer to next step y)
EMERGENCY
[COOL] BLUE [COOL] BLUE
[HEAT] RED
CN8 CN9
EMERGENCY
[HEAT] BLUE
CN10
EMERGENCY
[COOL] BLUE [COOL] BLUE
[HEAT] RED
CN8 CN9
EMERGENCY
[HEAT] BLUE
CN10
Air Outlet
Air Inlet
Correct Reverse
Air Outlet
Air Inlet
Models produced before April,2006 (Screwed cramp type terminal board)
06LXE10E-A(1-27)07.2.233:11PMページ6-24
https://daikin-p.ru

Table of Contents