EasyManua.ls Logo

Daikin LXE10E-A - Page 35

Daikin LXE10E-A
238 pages
Print Icon
To Next Page IconTo Next Page
To Next Page IconTo Next Page
To Previous Page IconTo Previous Page
To Previous Page IconTo Previous Page
Loading...
2-21
(1) Set point temperature and control sensor
Chilled operation
When the set point temperature is –10.0˚C (–140
˚F
) or higher,or –3.0˚C (+26.6˚F) or higher, the suction
modulating valve (SMV) is controlled sensing the supply air temperature in order to adjust the cooling
capacity.
Partial frozen operation
When the set point temperature is –3.0 to –10.0˚C (+26.6 to +14.0˚F), the suction modulating valve is
controlled sensing the return air temperature in order to adjust the refrigerating capacity.
Operation mode switching
Operation mode is automatically switched according to the set point of the electronic controller. Chilled
and partial frozen operations are controlled in the same manner except the sensor for the temperature
control.
(2) Control
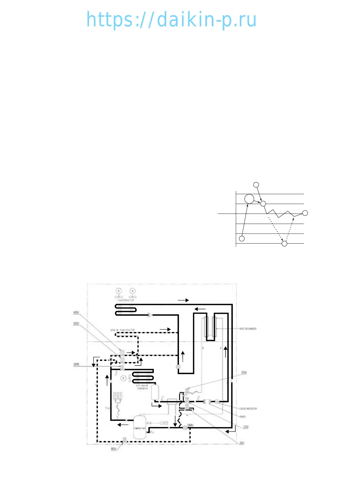
(a) Pull-down operation
Pull-down operation is carried out with fully opened suction modulating valve when the control
temperature is higher than the set point temperature for 1.5˚C or more (point q).
(b) Capacity control operation
When the control temperature reaches the point w, the in-range lamp is turned on. At the same
time, the suction modulating valve is activated to conduct the capacity control operation.
The control temperature converges to the set point
temperature (point e) while repeats temperature
increasing and decreasing.
During capacity control, hot gas by-pass (HSV, DSV, BSV)
and liquid injection (ISV) are conducted in order to maintain
the optimum operation condition of refrigerant system.
(c) Heat-up operation
When the control temperature is lower than [set point
temperature +1.5˚C] (point r), the heat-up operation
using hot gas is conducted in order to raise the return air
temperature to the [set temperature +1.5˚C] (point t).
(d) Overcool protection operation
Although the unit's operation is in a stable state, if the
control temperature lowers below set point temp –3˚C (point y), the compressor stops and only the
evaporator fan continues to operate.
– 3˚C
– 2˚C
– 1˚C
+ 1˚C
+ 2˚C
SP
1
2
6
5
3
4
EV
RECEIVER
02LXE10E-A(17-29)07.2.2015:39ページ2-21
https://daikin-p.ru

Table of Contents

Related product manuals