EasyManua.ls Logo

Daikin MPS - Page 72

Daikin MPS
82 pages
Print Icon
To Next Page IconTo Next Page
To Next Page IconTo Next Page
To Previous Page IconTo Previous Page
To Previous Page IconTo Previous Page
Loading...
IM 919-3 • MICROTECH III CONTROLLER 72 www.DaikinApplied.com
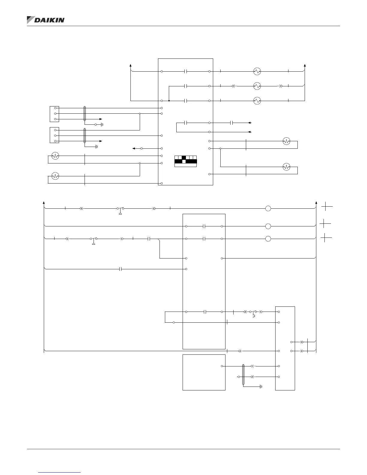
TypICal eleCTrICal drawIngs - rebel
Figure 32 continued: Rebel Electrical Diagram
203
204
205
206
207
208
209
210
211
212
213
214
215
216
217
218
219
220
221
222
223
224
225
226
227
228
229
230
231
232
233
234
235
236
237
238
239
240
241
242
243
244
245
246
247
248
249
250
251
252
253
254
255
256
257
258
259
260
261
262
201
202
263
264
265
OAT
NB
Mod Bus
Connection
SA Smoke
Detector
Emergency
Off
TIME CLOCK OR
TENNANT OVERIDE
24V
120V
DAT
NB
RS485
SRT
NB
DRT1
MB.HB
1 2
SVB
MB.HB
RED
1 2 3 4 5 6
DIP SWITCH
SW6 MUST
BE ON
WHEN LAST
ON
OFF
WHT
Mount Sensor
In Supply Air Duct
FAN OPERATION
1 2
4WV
NB
1 2
SVR
MB.HB
DRT3
MB.HB
RAT
NB
}
CO2/MIN OA
/OA FLOW
WALLSTAT
COOLING &
HEATING
SETPOINT
P
OVERRIDE
S
C
}
DISCHARGE AIR
TEMPERATURE
EXTERNAL RESET
DFT
NB
RA Smoke
Detector
LCT
Leaving Coil
Temperature
NB
DO1
163B
BLK
PTS
NB
AI3
255C
301G
(217)
TB1
6
6
TB2
104
TB2
105
TB8
307
TB8
305
TB8
304
7G
TB2
106
T_CLOCK
NB
OAT-I
TB2
115
ALARM OUTPUT
TB2
117
116
MJ MJ
DO9
C9-10
101
TB2
TB2
102
301G
TB2
122
TB2
123
SD1
SVB-I
SVB-I
SRT-I
PTS-I
PTD-I
DRT1-I
-
PTD
NB
M
GO-24C
R3-4
M
S
AI1
B-
G-24V
DI3
DI4
DI1
DI2
M
A+
301G
301G
DO1
43
1
T2A
CLASS 2
75VA
2
DO9
DO10
DO10
DO4
DO2
DO3
DO4
DO2
DO3
C2
C3-4
MCB
EXPD
X1
M
X2
+5VDC
X3
M
X6
M
TB1
7
7
DAT-I
TB8
302
-
+
S
+
C1
252A
BLK
BLK
BLK
DRN
RED
WHT
BLK
DRN
BLK
RED
WHT
12 8
R-HP1
(303)
BLK
BLK
DRN
BLK
RED
163A
254A
255A 258B
155A155B
211A
209A
207A
219B
209A 236A
237A
207B
209A
6
207B
209A
207B
207B
207B
209A
207B
TB1
12
GF1-I
YELYEL
GF1-I
1 4
GFR1
(115)
7
M
X5-AI
HUM1
NB
Humidity
Sensor
COM
OUT
24VDC
TB8
311
TB2
131
219C
219C
226A
227A
24VDC
126
127
HUM-I
WHT
RED
BLK
X6-AI
SPS1
MB
TB1 -
TB1 +
301G
CBL217-I
BLK
WHT
DRN
SPS2
MB
TB1 -
TB1 +
X8-AI
301G
CBL221-I
DRN
WHT
BLK
214A
216B
209A 207B244A
31
DHL
13 14
R63
(214)
(216)
NCNO
12
8
R63
(244)
9
5
R63
(244)
31
PC5
FILTER
217A 217B
217A
21
AIR FLOW
PC7
216A
250A
2
PL5
1
PL5
4WV-I
4WV-I
163B
SVR-I
SVR-I
248A 163B
163A
X4
TB8
306
DRT3-I
BLK
BLK
260A
X7-AO
TB8
310
ACT3-I
BLK
GRY
209A
BLK
RED
ACT3
NB
3
2
301G
1
1
PL7
3
2
DRN
RED
WHT
207B
13 14
OAER
(311)
NCNO
OAE
RAE
+
S SR
+
24V
1
3
COM
242A
242C
242B
WHT
207B
RED
RAE-E
OAE-I
209A
BLK
OAE-I
AI2
RAT-I
DRN
BLK
WHT
301G
(217)
X1-AI
121G
CBL232-I
125
TB2
124
BLK
DRN
WHT
132G
CBL227-I
TB8
303
TB2
132
TB2
120
121
ZNT1
NB
X3-AI
M
X4-AI
WHT
BLK
RED
DRN
225A
133
GRN
BLK
BLK
DFT-I
X7
MJ
TB2
103
209A
SD2
NB
DRN
BLK
RED
LCT-I
301G
(217)
X2-AI
M
T2A_N
(337)
T2A_24V
(339)
120V_N
(160)
A1+ /
(345)
(358)
B1- /
(346)
(359)
GND1 /
(347)
(359)
T2B_N
(163)
T2B_24V
(163)
+5V /
(255)
(258)
+5V / (259)
+5V / (259)
255 / (354)
256 / (354)
120V_H
(160)
303
304
305
306
307
308
309
310
311
312
313
314
315
316
317
318
319
320
321
322
323
324
325
326
327
328
329
330
331
332
333
334
335
336
337
338
339
340
341
342
343
344
345
346
347
348
349
350
351
352
353
354
355
356
357
358
359
360
361
362
301
302
363
364
365
MODBUS
X4A
TN2
+ -
ACS3
ACS1
X6A
24VAC
DIP SWITCH
1
2
3
4
2
GND
ORG
RED
X86A
X88A
X89A
YEL
BLK
GRY
4
KON 24
SD
1 2 3
DIP SWITCH
ORG
RED
YEL
BLK
GRY
X87A
X80A
ORT
IRT
X79A
1 2 3 4 5 6
DIP SWITCH
SW6 MUST BE ON
WHEN LAST
ON
OFF
LWT
EWT
{
Lonworks
Building COM
A4P
(120)
IFB
1
2
1
2
1
2
16V
GND
3
2
1
A4/4-I
DO1B
DO1
354A
X6A-1I
CBL345-I
DRN
EVB/88A-I
C1
13 14
R-CCH1
(145)
NCNO
R5-6
C2
DO2
DO2B
IFN_MOTOR
NB
1
2
IFN-CI
DI5
MCB
3
1
WHT
BLK
155B 305A 155A
155A
IFB-I
RED
BLK
351D
352D
WHT
BLK
RED
DRN
WHT
BLK
163A
163B
RED
BLK
WHT
X6A-2I
3
2
1
PL17
3
4
EVB
(116)
1
3
EVI
NB
EVI-I
EVBJMP-I
1
2
3
4
5
1
2
BLK
WHT
BRN
RED
GRN
5
3
4
2
EVI
1
2
1
5
HP3-I
CH
HP1
NB
2
PL4
HP3-I
HP1-I
1
PL4
13 14
R-HP1
(307)
(255)
NCNO
HP1-I
CH
HP3
NB
2
PL3
1
PL3
9 5
R-HP1
(303)
307B
155A
307B
155B 307A
155B 303A
A1 A2
M3
(132)
(133)
(134)
(147)
NCNO
307C 155A
HEAT1-CI
301G
(217)
TB8
DRN
X5-AO
2
3
PL18
4
PL19
3
HEAT1
MOD GAS
HEATER
NB
-
+
1
PL19
L1 L2
G
HEAT1-CI
BLK
WHT
RED
HEAT1-CI
GRN
WHT
R
W
DO3
DO3
TB8
309
C3
21
AHL
NB
HEAT-2I
YEL
319A
TB8
307
YEL
AHL-I
2
4
1
3
5
3
5
4
2
1
EVO
5
4
2
3
1
EVO-I
EVO
NB
WHT
BLK
BRN
RED
GRN
ORT-I
2
1
BLK
BLK
IRT-I
BLK
1
2
BLK
EXPB
EXPD
209A
ACT12
2
3
1
ACT12-I
301G
DO5-CLOSE
C5-6
DO5
DO6
DO6-OPEN
BLK
RED
WHT
DRN
1
PL24
2
3
X4-AI
331A
EWT-I
(332)
LWT-I
M
X5-AI
M
331B
332A
334A
334B
335A
301G
301G
25(A-)
24(B+)
ERW-CI
VFD60
WHT
BLK
DRN
26(GND)
EXH-CI
2
1
EXH_MOTOR
NB
WHT
BLK
DRN
CLB
TB2
128
129
CLA
LNWK
BLU/WHT
BLU
LNWK-I
9
5
OAER
(242)
311A155B
DI6
255
(255)
120V_N
(160)
120V_H
(160)
A1+ /(212)
B1- /(213)
GND1 /(214)
(212)
A1+ /
B1- / (213)
GND1 / (214)
T2B_24V /
(163)
T2B_N /
(163)
256
(257)
T2A_24V /(207)
T2A_N / (207)
(363)
A2+ /
B2- / (363)
GND2 / (364)
A2+ /(348)
B2- /(349)
GND2 /(349)
GND3 /(365)
B3- /(364)
A3+ /(364)
GND3 /(362)
B3- /(361)
A3+ /(361)

Other manuals for Daikin MPS

Related product manuals