EasyManua.ls Logo

Danfoss VLT AutomationDrive FC 361 N110 - Control Wiring and Terminals

Danfoss VLT AutomationDrive FC 361 N110
102 pages
Print Icon
To Next Page IconTo Next Page
To Next Page IconTo Next Page
To Previous Page IconTo Previous Page
To Previous Page IconTo Previous Page
Loading...
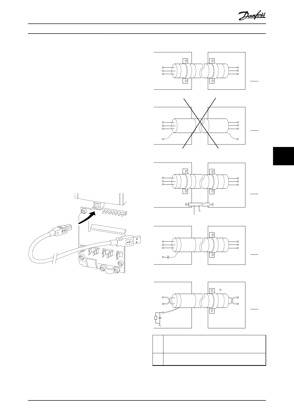
7.3.2 Personal Computer Connection
To control the drive from a PC, install the MCT 10 Set-up
Software. The PC is connected via a standard (host/device)
USB cable, or via the RS485 interface. For more information
on RS485, see chapter 11.3 RS485 Installation and Set-up.
USB is a universal serial bus utilizing 4 shielded wires with
ground pin 4 connected to the shield in the PC USB port.
All standard PCs are manufactured without galvanic
isolation in the USB port.
To prevent damage to the USB host controller through the
shield of the USB cable, follow the ground recommen-
dations described in the operating guide.
When connecting the PC to the drive through a USB cable,
Danfoss recommends using a USB isolator with galvanic
isolation to protect the PC USB host controller from
ground potential
dierences. It is also recommended not
to use a PC power cable with a ground plug when the PC
is connected to the drive through a USB cable. These
recommendations reduce the ground potential dierence,
but does not eliminate all potential dierences due to the
ground and shield connected in the PC USB port.
130BT308.10
Illustration 7.4 USB Connection
7.4 Control Wiring and Terminals
Control cables must be shielded and the shield must be
connected with a cable clamp at both ends to the metal
cabinet of the unit.
For correct grounding of control cables, see Illustration 7.5.
Drive
Ground
e30bu003.10
100 nF
69
68
61
68
69
PLC etc.
PLC etc.
PLC etc.
PLC etc.
Equalizing cable
Minimum 16 mm
2
1
2
3
4
5
Drive
Ground
Drive
Ground
Drive
Ground
Drive
Ground
Ground
Ground
Ground
Ground
Ground
Ground
Drive
1 Control cables and serial communication cables must be
tted with cable clamps at both ends to ensure the best
possible electrical contact.
2 Do not use twisted cable ends (pigtails). They increase the
shield impedance at high frequencies.
Electrical Installation Con... Design Guide
MG06K102 Danfoss A/S © 03/2019 All rights reserved. 41
7 7

Table of Contents

Related product manuals