EasyManua.ls Logo

Datalogic DS4600A - Page 24

Datalogic DS4600A
63 pages
Print Icon
To Next Page IconTo Next Page
To Next Page IconTo Next Page
To Previous Page IconTo Previous Page
To Previous Page IconTo Previous Page
Loading...
DS4600A
2
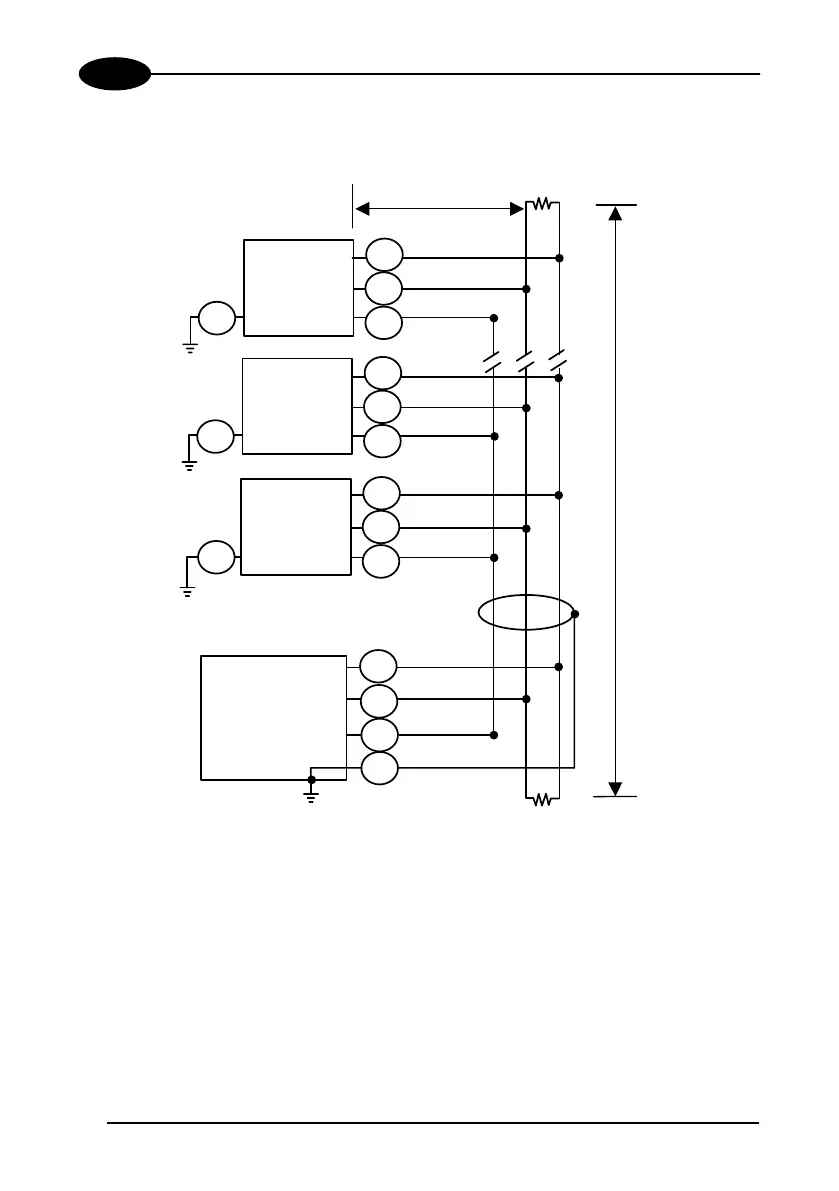
The figure below shows a multidrop configuration with DS4600A scanners connected
to a Multiplexer.
1
1
CHASSIS
# 1
RTX485+
RTX485-
SGND Main
# 0
max. 1200 m.
three wires
+ shield
7
4
2
7
4
2
120 Ohm
MULTIPLEXER
RTX485+
RTX485-
RS485REF
SHIELD
1
120 Ohm
DS4600A
(up to 31)
# x
max. 2 m.
7
4
2
DS4600A
DS4600A
Figure 12 - DS4600A Multidrop Connection to a Multiplexer
12

Other manuals for Datalogic DS4600A

Related product manuals