EasyManua.ls Logo

Datalogic DS5100 - Page 102

Datalogic DS5100
164 pages
Print Icon
To Next Page IconTo Next Page
To Next Page IconTo Next Page
To Previous Page IconTo Previous Page
To Previous Page IconTo Previous Page
Loading...
DS5100 REFERENCE MANUAL
86
5
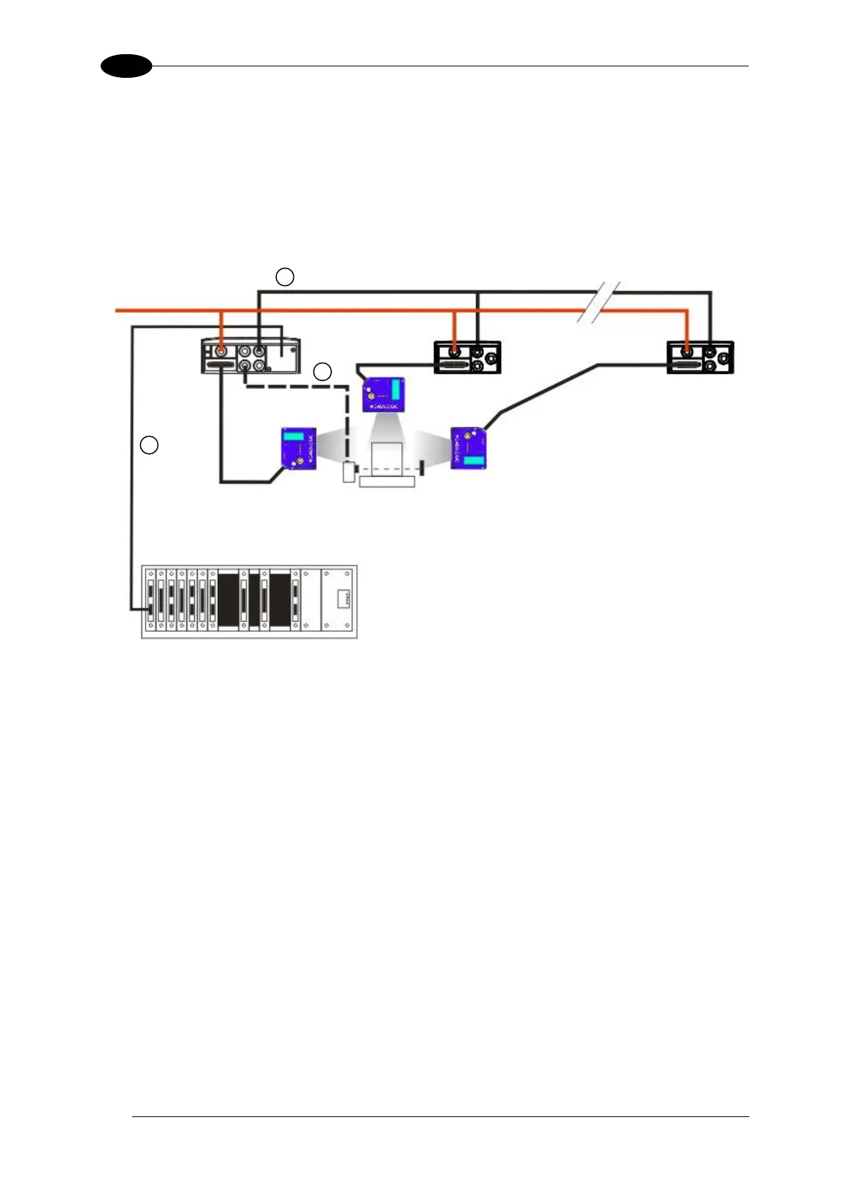
Alternatively, the Master scanner can communicate to the Host as a Slave node on a
Fieldbus network. This requires using an accessory Fieldbus interface board installed inside
the CBX500 connection box.
System configuration can be accomplished through the Auxiliary interface of the Master
scanner (internal CBX500 9-pin connector) using the Genius configuration program or
Genius based Host Mode programming.
Figure 64 ID-NET Fieldbus Synchronized Layout
Fieldbus Interface
External Trigger (for On-Line Mode)
ID-NET™ (up to 16 devices - practical limit)
Host
2
Master
Slave#1
Slave#n
Power
1
3

Table of Contents

Related product manuals