EasyManua.ls Logo

Datcon DT9502 - The Menu Structure

Datcon DT9502
92 pages
Print Icon
To Next Page IconTo Next Page
To Next Page IconTo Next Page
To Previous Page IconTo Previous Page
To Previous Page IconTo Previous Page
Loading...
DT9502
28 20171205-V3
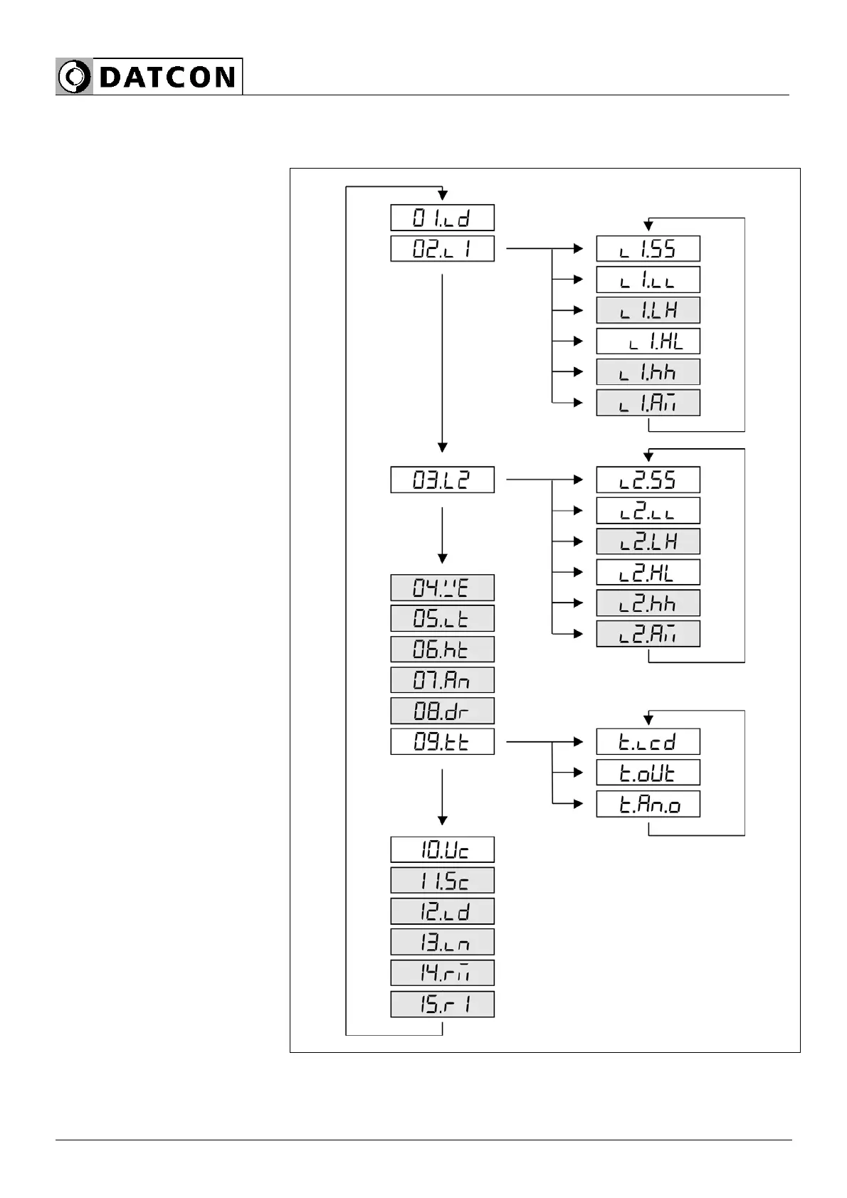
7.2. The menu
The menu structure
01: Limit-value display
29. page
02: Limit value 1
03: Limit value 2
30. page
04: 4 wire / 3 wire
39. page
05: Temperature 4 mA
40. page
06: Temperature 20 mA
42. page
07: Averaging number
44. page
08: Display refresh time
46. page
09: Tests
48. page
10: User code
51. page
11: Supervisor code
53. page
12: Display mode
55. page
13: Leader zeros
57. page
14: Min. and max. erase
59. page
15: Default
60. page
Comment:
The menu items shown in grey appear only in the case of a
supervisor-level login.

Table of Contents