EasyManua.ls Logo

Datron PRC1099A - Page 133

Datron PRC1099A
247 pages
Print Icon
To Next Page IconTo Next Page
To Next Page IconTo Next Page
To Previous Page IconTo Previous Page
To Previous Page IconTo Previous Page
Loading...
1
1
2
2
3
3
4
4
5
5
6
6
D D
C C
B B
A A
SIZE
DWG. NO.
FSCM NO.
REV
SEE SH 1 FOR REVISIONS
5/26/2015 2:38:05 PM
SCALE:
B
SHEET
994073D_sh2.SchDoc
FILENAME:
66943
OF
994073 D
NONE
6
2
SPICLK
BITEb
SPITXD
GND
+12V
GND
+5V
ENM6C
BFO
DATA
ENM6B
CLOCK
ENM6A
BITE
C5
4.7uF/25V
1
2
3
4
5
6
7
8
9
10
12
13
11
J1
DB15_COAX
TP31
PAD
TP30
PAD
TP91
PAD
TP82
PAD
TP98
PADENM6B
ENM6A
ENM6AT
+3.3V
+5.0V
C66
100nF
R5
DNP
5-to-3.3V
+3.3V
+5.0V
C79
100nF
GND
1
A1
2
A2
3
A3
4
B3
5
B2
6
B1
7
GATE
8
U14
SN74TVC3306DCTR
GND
1
A1
2
A2
3
A3
4
B3
5
B2
6
B1
7
GATE
8
U10
SN74TVC3306DCTR
R51
200K
R60
200K
R6
0R
R49 1K
R50
1K
R52
1K
R59
1K
Translator
5-to-3.3V
Translator
G
13
RCK
12
SER
14
SRCLR
10
SRCK
11
QA
15
QB
1
QC
2
QD
3
QE
4
QF
5
QG
6
QH
7
QH1
9
VCC
16
Ground
8
U11
74HC595
+3.3V
C45
100nF
C46
100nF
+3.3V
D5
MMBD4148
D6
MMBD4148
R89
10K
CS2
4
A0
1
A1
2
A2
3
CS1
6
CS3
5
y0
15
y1
14
y2
13
y3
12
y4
11
y5
10
y6
9
y7
7
VCC
16
GND
8
U12
3:8 DECODER
TP85
PAD
TP86
PAD
TP90
PAD
TP83
PAD
TP92
PAD
TP89
PAD
TP87
PAD
TP88
PAD
TP93
PAD
TP95
PAD
TP94
PAD
TP96
PAD
PLLCS
DDSCS
DDSIOUD
ENM6BT
DDSRSTN
R86
0R
R92
0R
D7
MMBD4148
R56
10K
R57
10K
R58
10K
C94
100pF
Q1
MMB2222AL
Q2
MMB2222AL
+3.3V
C33
100nF
BITE
TP77
PAD
TP78
PAD
TP79
PAD
TP80
PAD
C112
DNP
TP33
PAD
TP32
PAD
+3.3V
R84
0R
R55
88K7
R98
49R9
MUX_OUT
DDSRST
2 4
1
3 5
U13
7S04
+3.3V
C47
100nF
DDSRST
PLLCS
C1
4.7uF/25V
C2
4.7uF/25V
+12VA
SPITXDT
SPICLKT
BFO_OUT
+12V
DDSIOUD
DDSCS
C3
4.7uF/25V
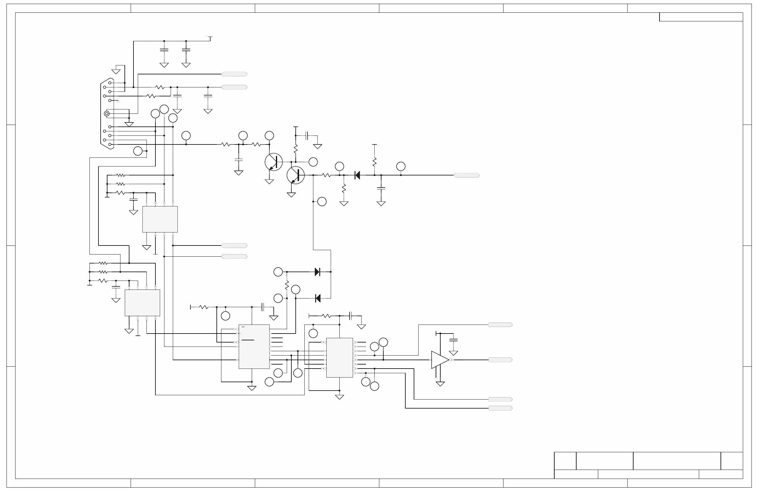
PRC1099A-MS
Figure 8-4
Synthesizer Board
Schematic Diagram 2 of 6
(994073 Rev. D)
8-9

Other manuals for Datron PRC1099A

Related product manuals