EasyManua.ls Logo

dB Technologies K5 - Input Connection and Extension

dB Technologies K5
Print Icon
To Next Page IconTo Next Page
To Next Page IconTo Next Page
To Previous Page IconTo Previous Page
To Previous Page IconTo Previous Page
Loading...
37
DVA K5 Code 420120232 REV.1.1
English
Only use cables equipped with Neutrik® connectors
Replace any damaged cables, to avoid malfunctions and
poor sound quality.
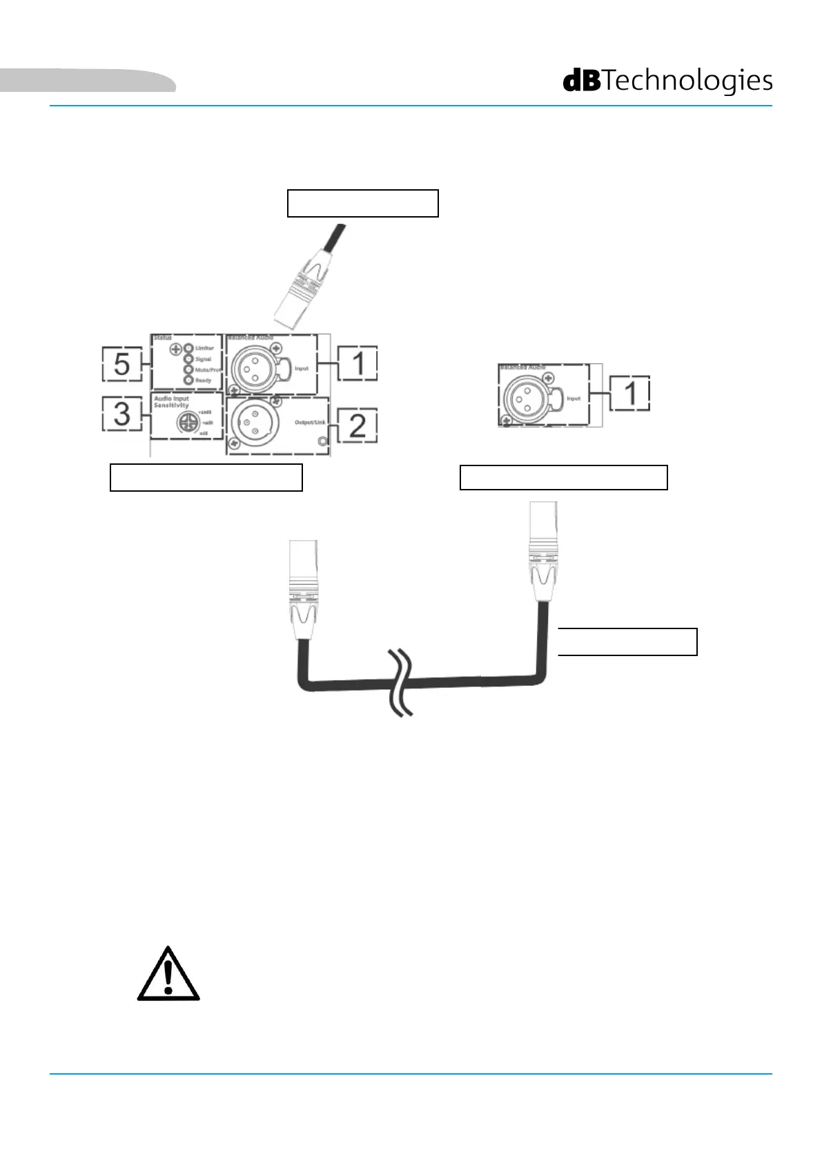
Connect the cable from MIXER/LINE to the BALANCED AUDIO (1) input of the rst
line array module. For this purpose, use a cable equipped with an XLR connector (not
included in the supply). For further information about the cables that are available
please refer to the picture at p. 37.
Extend the signal between the rst and the second module. To this purpose connect
the OUTPUT/LINK (2) output to the BALANCED AUDIO (1) input of the second module.
Repeat the operation between the second and the third module, and so on, until all
line-array modules are connected.
INPUT CONNECTION AND EXTENSION
MIXER/LINE
SECOND DVA K5 MODULEFIRST DVA K5 MODULE
ATTENTION!
LINK

Table of Contents

Related product manuals