EasyManua.ls Logo

dbx Zone Pro 641 - Block Diagram

dbx Zone Pro 641
59 pages
Print Icon
To Next Page IconTo Next Page
To Next Page IconTo Next Page
To Previous Page IconTo Previous Page
To Previous Page IconTo Previous Page
Loading...
®
ZonePro™ User Manual
46
Appendix
ZonePro
L
R
L
R
L
R
ZC
Jack 1
ZC
Jack 2
+
+
+
+
Link In/Out
Link In/Out
Link In/Out
Link In/Out
Link In/Out
Link In/Out
Output 1
Output 2
Output 3
Output 4
L
R
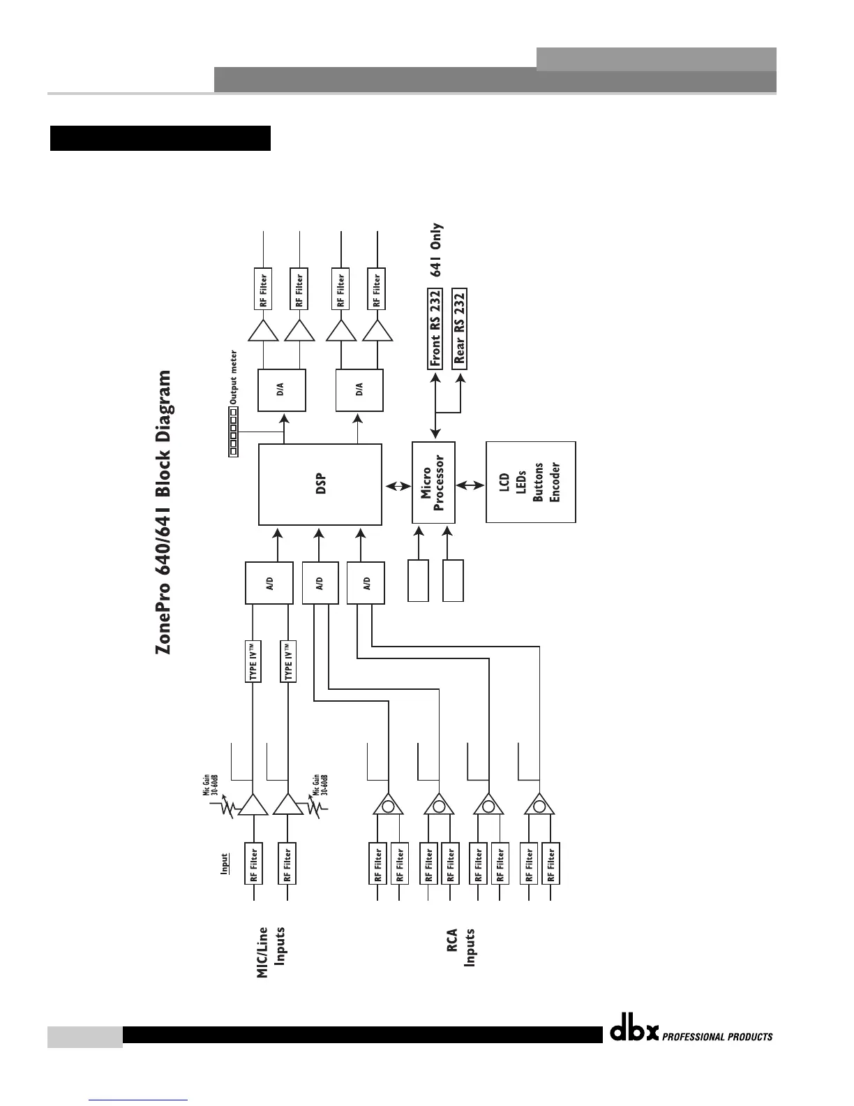
A.3 - Block Diagram

Other manuals for dbx Zone Pro 641

Related product manuals