EasyManua.ls Logo

Delfield N8143B-E - Page 33

Delfield N8143B-E
44 pages
Print Icon
To Next Page IconTo Next Page
To Next Page IconTo Next Page
To Previous Page IconTo Previous Page
To Previous Page IconTo Previous Page
Loading...
Part Number: 9291458 REV00 12/19 33
Section 2 Installation
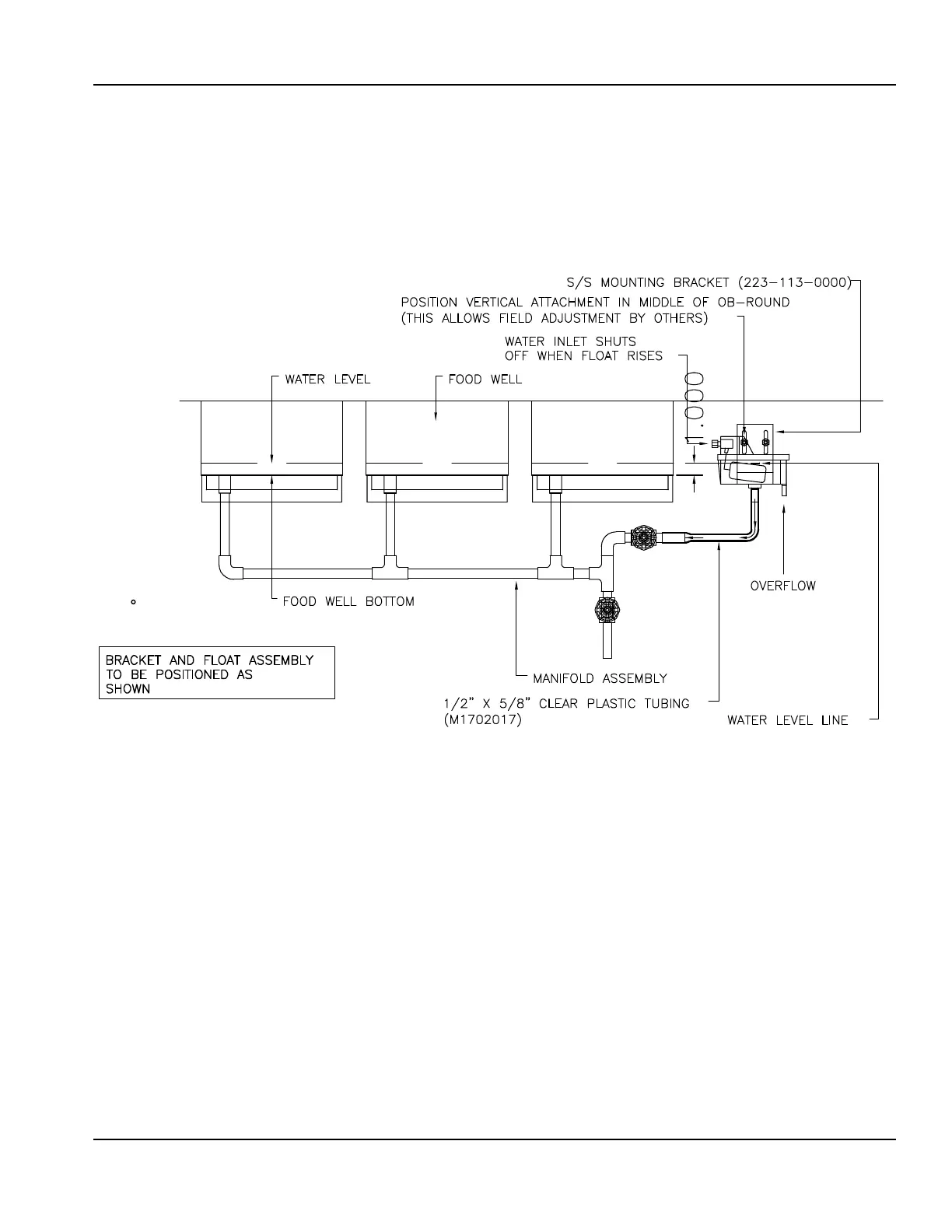
APPLICABLE TO N8700 MODELS
1. Locate mounting holes on outside operator drop-in body and mount float and bracket using thumb screws.
2. Install drain plumbing as shown.
3. Connect clear plastic tubing to 1/2” copper stub and connect to the float. Use hose clamps to secure.
4. Connect fill line to 1/4” compression fitting.
5. Loosen thumb screws to achieve desired water level.
NO CONNECTION
NEEDED

Related product manuals