EasyManua.ls Logo

Delta VFD007FP4EA-41 - Page 371

Delta VFD007FP4EA-41
404 pages
Print Icon
To Next Page IconTo Next Page
To Next Page IconTo Next Page
To Previous Page IconTo Previous Page
To Previous Page IconTo Previous Page
Loading...
Chapter 12 Description of Parameter Settings|CFP2000 Series
12.1-12-7
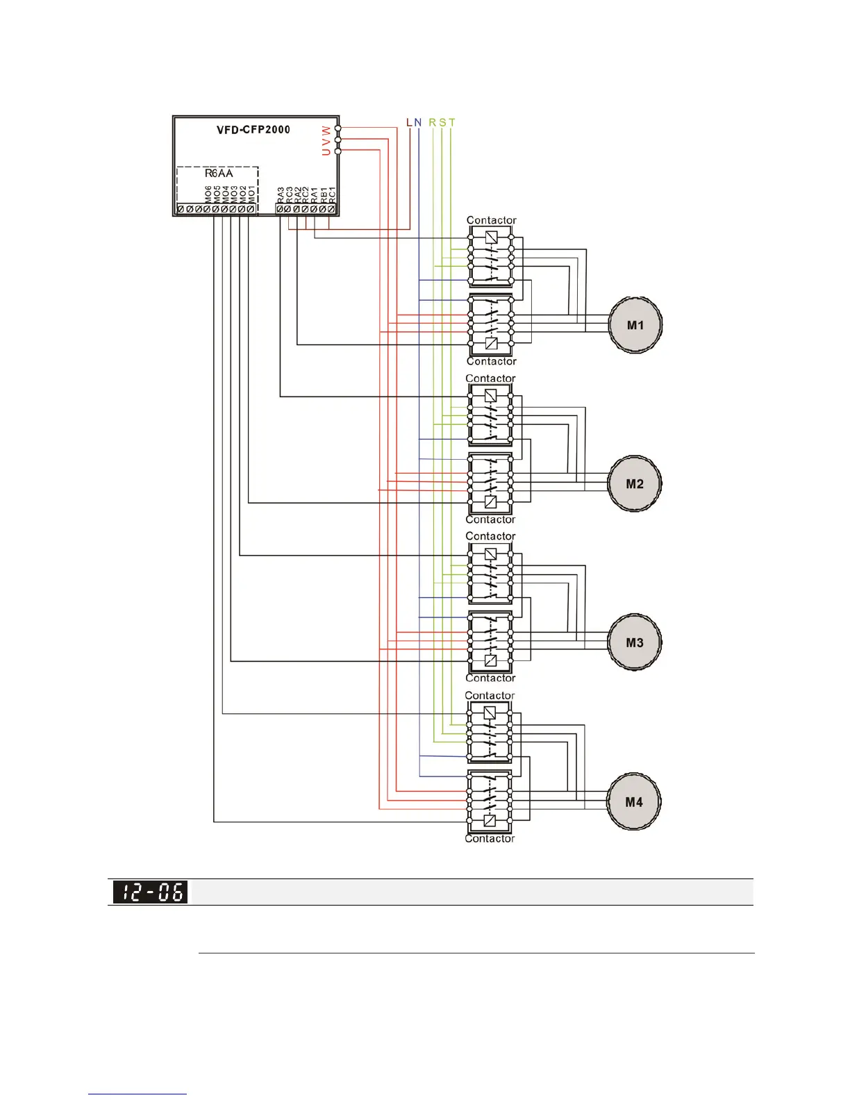
Fixed quantity circulation with PID can control up to 4 motors. The Diagram 12-7 below is an
example of controlling 4 motors.
Diagram 12-7
Frequency Point when switch from I/F Sensorless Observation mode to V/F mode
Factory Setting: 6000
Settings 0.0 to 600.00 Hz
When the drive’s output frequency reaches the setting value of Pr12-06, the system will start
preparing to switch motors.

Table of Contents