EasyManua.ls Logo

Denon AVR-4306 - Page 110

Denon AVR-4306
135 pages
To Next Page IconTo Next Page
To Next Page IconTo Next Page
To Previous Page IconTo Previous Page
To Previous Page IconTo Previous Page
Loading...
1 2 3 4 5 6 7 8 9 10 11
A
B
C
D
E
F
G
H
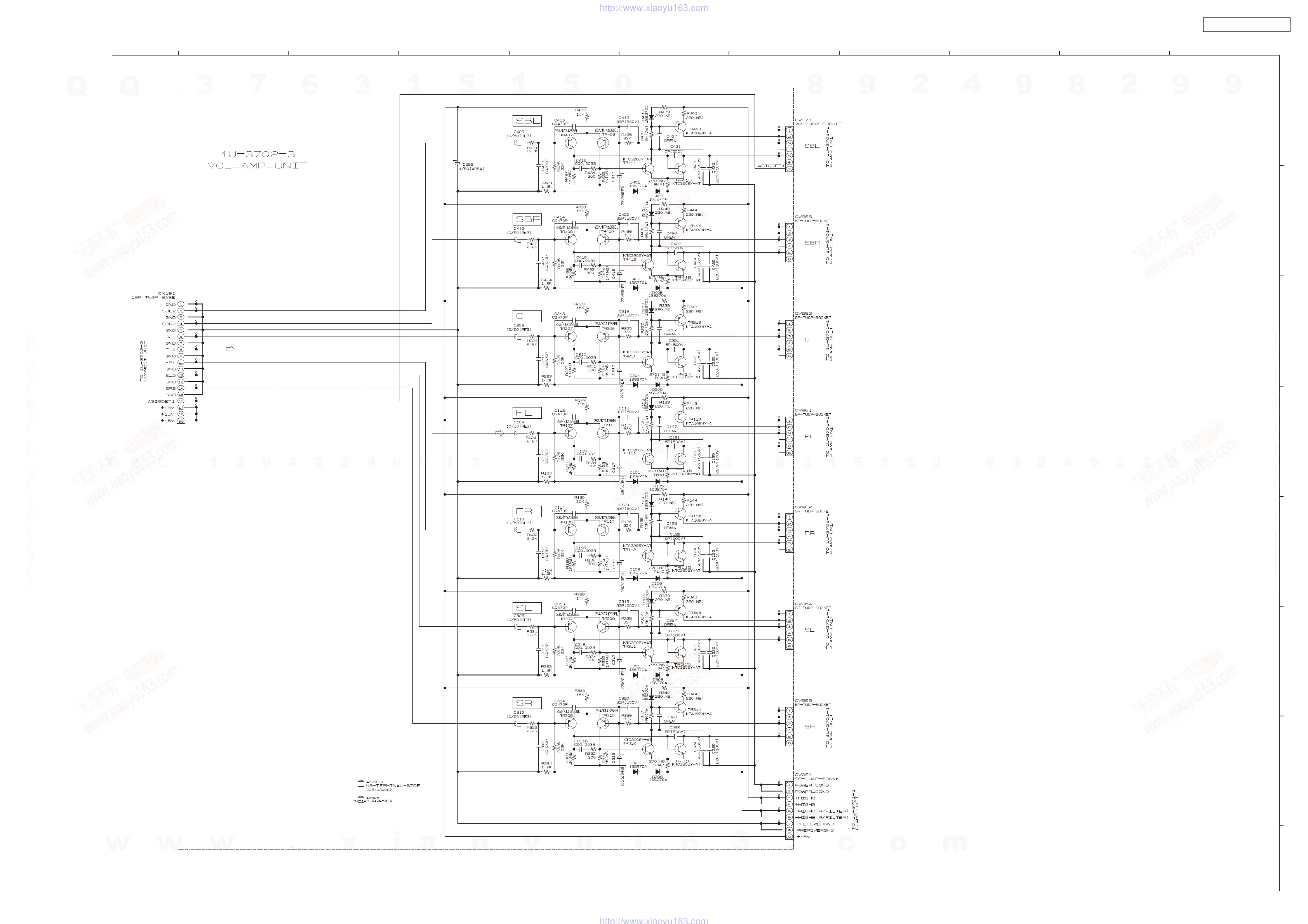
SCHEMATIC DIAGRAMS (9/34)
AVR-4306/AVC-4320
110
SCHEMATIC DIAGRAMS (9/34)
1U-3702-3 VOL AMP UNIT
w
w
w
.
x
i
a
o
y
u
1
6
3
.
c
o
m
Q
Q
3
7
6
3
1
5
1
5
0
9
9
2
8
9
4
2
9
8
T
E
L
1
3
9
4
2
2
9
6
5
1
3
9
9
2
8
9
4
2
9
8
0
5
1
5
1
3
6
7
3
Q
Q
TEL 13942296513 QQ 376315150 892498299
TEL 13942296513 QQ 376315150 892498299
http://www.xiaoyu163.com
http://www.xiaoyu163.com

Other manuals for Denon AVR-4306

Related product manuals