EasyManua.ls Logo

Despatch MIC 1422 - Noise Suppression at the Source

Despatch MIC 1422
91 pages
Print Icon
To Next Page IconTo Next Page
To Next Page IconTo Next Page
To Previous Page IconTo Previous Page
To Previous Page IconTo Previous Page
Loading...
9
Noise Suppression At The Source
Usually when good wiring practices are followed no further noise protection is
necessary. Sometimes in severe electrical environments, the amount of noise is so
great that it has to be suppressed at the source. Many manufacturers of relays,
contactors, etc. supply "surge suppressors" which mount on the noise source.
For those devices that do not have surge suppressors supplied, RC (resistance-
capacitance) networks and/or MOV (metal oxide varistors) may be added.
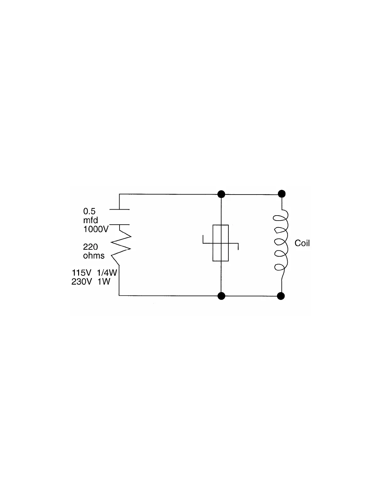
Inductive Coils - MOV's are recommended for transient suppression in inductive coils
connected in parallel and as close as possible to the coil. See Figure 2-4. Additional
protection may be provided by adding an RC network across the MOV.
FIGURE 2-4
Contacts - Arcing may occur across contacts when the contact opens and closes. This
results in electrical noise as well as damage to the contacts. Connecting a RC network
properly sized can eliminate this arc.
For circuits up to 3 amps, a combination of a 47 ohm resistor and 0.1 microfarad
capacitor(1000volts)is recommended. For circuits from 3 to 5 amps, connect 2 of these
in parallel. See Figure 2-5, below.

Table of Contents

Related product manuals