EasyManua.ls Logo

DeVilbiss 525DS - DIAGRAMS; PNEUMATIC DIAGRAM

DeVilbiss 525DS
44 pages
Print Icon
To Next Page IconTo Next Page
To Next Page IconTo Next Page
To Previous Page IconTo Previous Page
To Previous Page IconTo Previous Page
Loading...
LT-2023
37
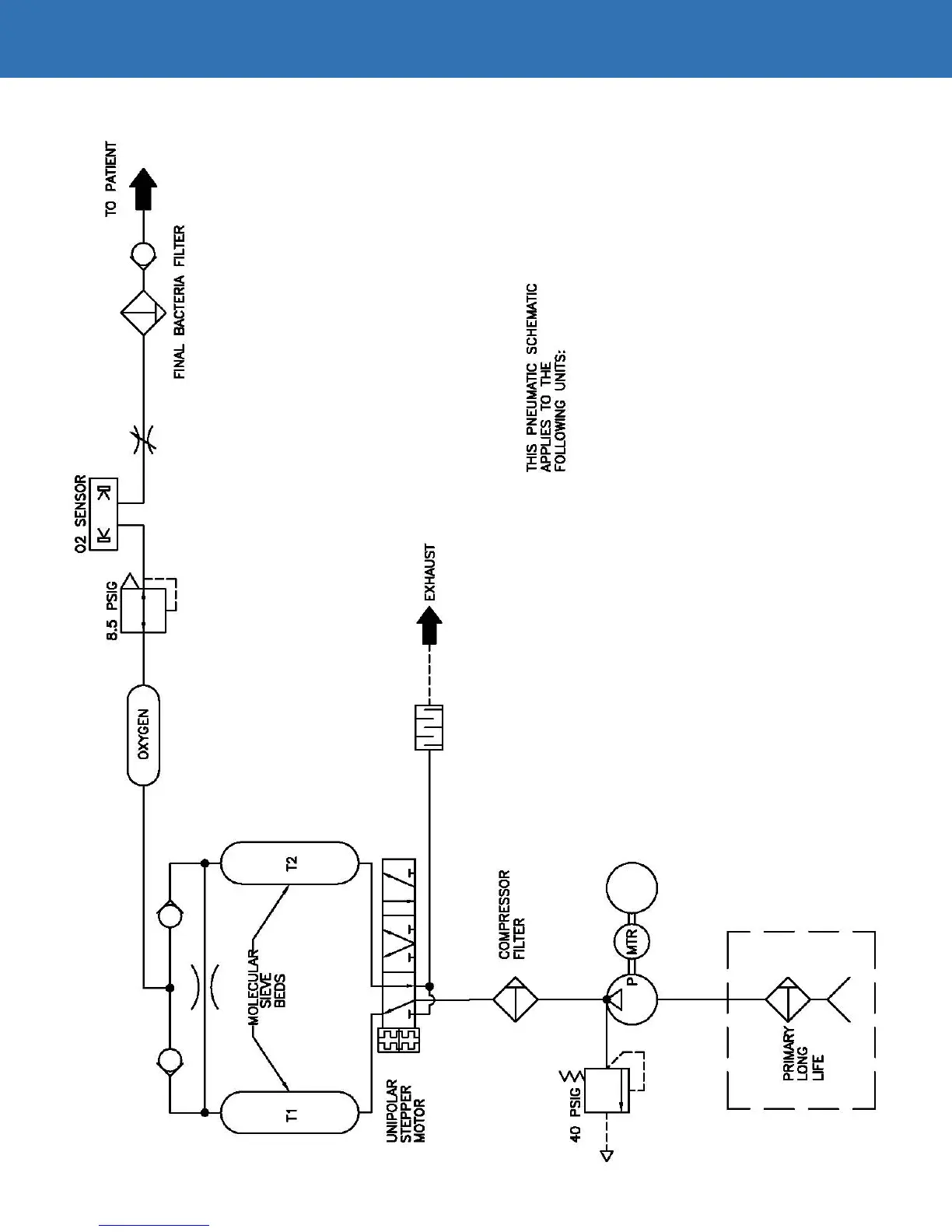
Figure 17 - Pneumatic Diagram
FIGURES, DIAGRAMS, AND VIEWS
525DS & 525KS

Related product manuals