EasyManua.ls Logo

Diamond TX Series - Functional Description

Diamond TX Series
60 pages
Print Icon
To Next Page IconTo Next Page
To Next Page IconTo Next Page
To Previous Page IconTo Previous Page
To Previous Page IconTo Previous Page
Loading...
Transmitters 9 November 2001 91
Next Chapter
Tran sm it te r
Functional Description
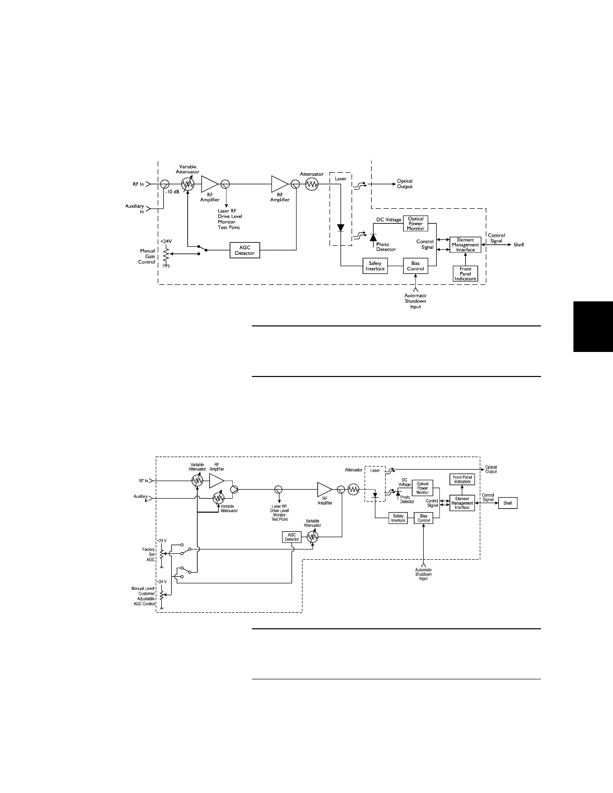
All TX series plug-in transmitters convert radio frequency
(RF) input into an optical signal and process RF, optical,
control, and DC power signals.
Diamond Transport 800E-TX and 800G-TX transmitters
offer customer-adjustable AGC and a high-isolation auxiliary
RF input for insertion of targeted video programs.
Figure 38. DT 200-TX, 700-TX, and 800C-TX Functions
All Diamond Transport transmitters process RF, optical, control,
and DC power signals.
Figure 39. DT 800E-TX and 800G-TX Functions
DT 800E-TX and 800G-TX transmitters offer
customer-adjustable AGC and a high-isolation auxiliary RF input.