EasyManua.ls Logo

Digi WI-700 - Page 248

Digi WI-700
308 pages
Print Icon
To Next Page IconTo Next Page
To Next Page IconTo Next Page
To Previous Page IconTo Previous Page
To Previous Page IconTo Previous Page
Loading...
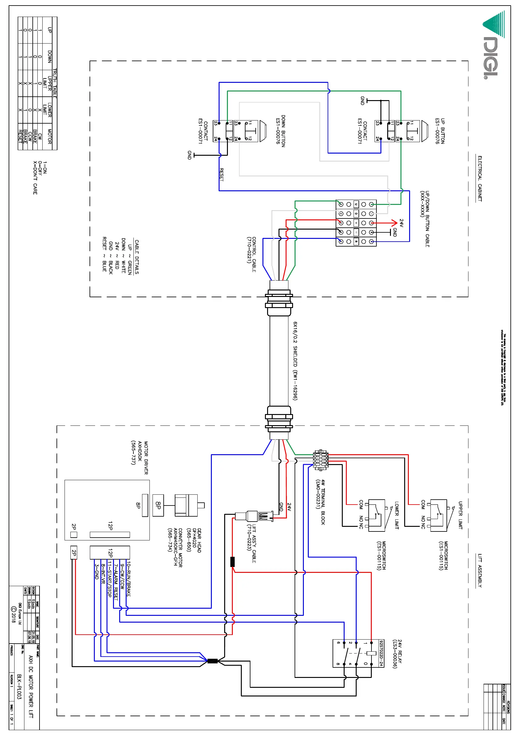
Low voltage (24v) power lift
P5-6

Table of Contents

Related product manuals