EasyManua.ls Logo

Digi WI-700 - Page 98

Digi WI-700
308 pages
Print Icon
To Next Page IconTo Next Page
To Next Page IconTo Next Page
To Previous Page IconTo Previous Page
To Previous Page IconTo Previous Page
Loading...
HI, MI, WI-700 service manual - 2 - component parts
2-62 Issue 9 04/2020
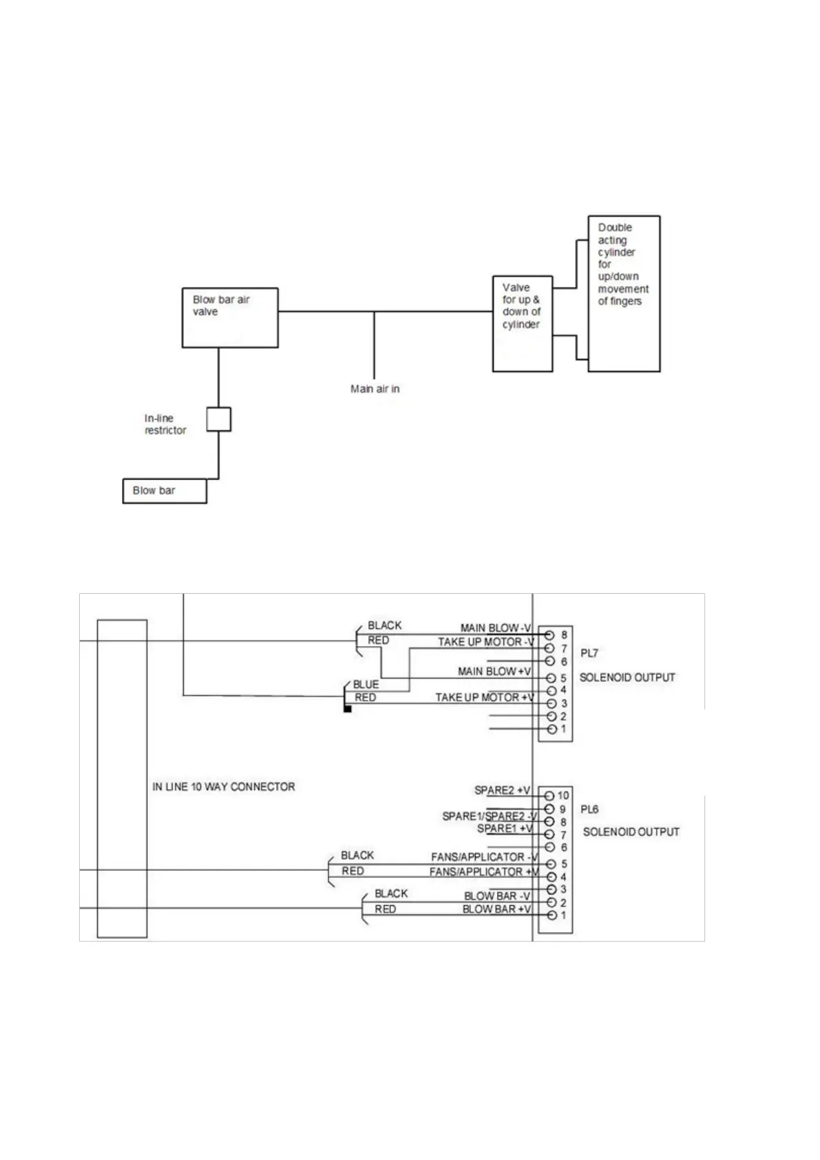
Pneumatic control - classic labeller touch applicator
The following is a diagram of the air valve connections within the touch applicator assembly.
The solenoid valves electrically connect to the labeller board at PL6 & PL7
5/2 VALVE - SY3120
5/2 VALVE
SY3120
700 LABELLER
BOARD.
Refer to full electrical
diagram for more detail

Table of Contents

Related product manuals