EasyManua.ls Logo

DIMA HC-100 - Page 148

DIMA HC-100
174 pages
Print Icon
To Next Page IconTo Next Page
To Next Page IconTo Next Page
To Previous Page IconTo Previous Page
To Previous Page IconTo Previous Page
Loading...
Appendix E HYBRID Coater Service Manual ver1.1
146
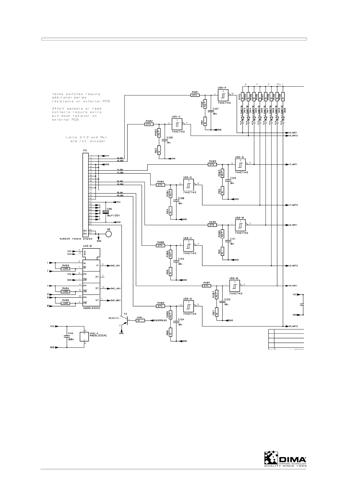
A LED is present on the Connection PCB indicating ‘encoder error’. This LED is controlled by
transistor T2 in below figure. This LED is as soon as an error is detected by the EL-04873
Control PCB.
Connector P3 is connected via cable KHC-0100-0308 to connector P6 of the EL-04875
Connection PCB.
See wiring diagram MHC-0200-0315 and MHC-0200-0107 for HC-100 and MHC-0200-0108
for HC-200 for more information.
CONNECTORS P4 AND P5 FOR CONVEYOR LIMITS
These connectors are not used at this moment. Each connector is used for the connection of
two vane switches EL-07164.

Table of Contents

Related product manuals