EasyManua.ls Logo

DIMA HC-100 - Page 155

DIMA HC-100
174 pages
Print Icon
To Next Page IconTo Next Page
To Next Page IconTo Next Page
To Previous Page IconTo Previous Page
To Previous Page IconTo Previous Page
Loading...
HYBRID Coater Service Manual ver1.1 Appendix E
153
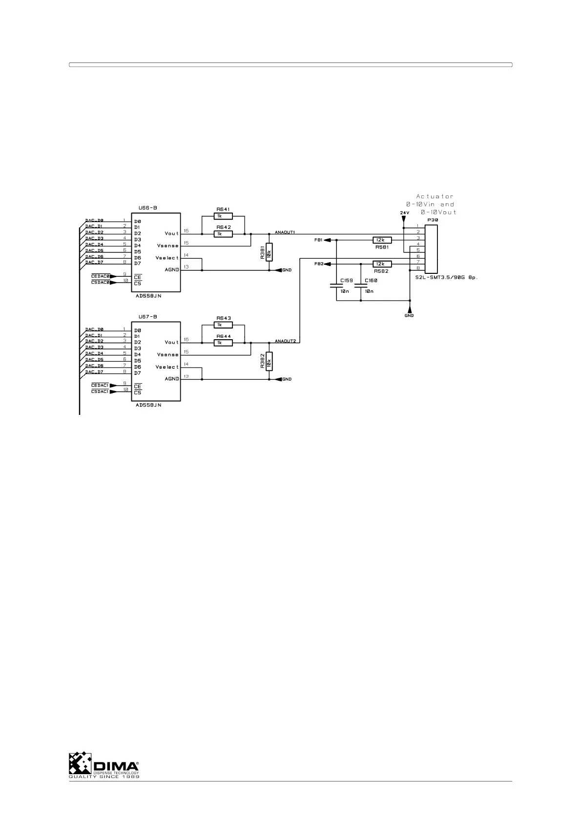
See wiring diagram MHC-0200-0315 and MHC-0200-0002 for more information.
CONNECTORS P30 AND P31 FOR ANALOG I/O
Both connectors contain two 0-10Volt outputs and two 0-10Volt inputs. Maximum output
current is 5mA. Because both connectors have a identical circuit only the circuit of P30 is
shown. These connectors are not used at this moment.
NOTE: IN ABOVE CIRCUIT A 12K RESISTOR IS PRESENT. NEAR THE
ANALOGUE TO DIGITAL CONVERTER A RESISTOR OF 10K IS PRESENT
TOWARDS GND SO 10.000VOLTS AT THE INPUTS GIVES 10/22*5= 4.545VOLT.
CONNECTORS P32 AND P33 FOR ANALOGUE INPUTS
Both connectors contain two 0-10Volt inputs. By means of a dipswitch the choice can be
made between 0-10Volt input and 0-20mA input. These connectors are only used for certain
options.

Table of Contents

Related product manuals