EasyManua.ls Logo

dji ROBOMASTER - Magnetometer

dji ROBOMASTER
21 pages
Print Icon
To Next Page IconTo Next Page
To Next Page IconTo Next Page
To Previous Page IconTo Previous Page
To Previous Page IconTo Previous Page
Loading...
ROBOMASTER Development Board Type C
User Manual
16
© 2020 DJI All Rights Reserved.
IIC Address: 0x0E
附近2mm内不布器件,远离功率线
VCC_3V3_IMU
VCC_3V3_IMU
VCC_3V3_IMU
DRDY_IST8310[6]
I2C3_SDA[4]
I2C3_SCL[4]
RSTN_IST8310[6]
R124
4.7KR
0402
R125
4.7KR
0402
C109
100nF
0402
C105 4.7uF
0603
C104
100nF
0402
U11
IST8310
SCL
1
AVDD
2
NC1
3
NC2
4
CAD0
5
CAD1
6
VPP
7
NC3
8
GND1
9
C1
10
GND2
11
NC
12
DVDD
13
RSTN
14
DRDY
15
SDA
16
TP10
1
TP11
1
PS接GND:使用SPI模式
PS接VDD:使用IIC模式
VCC_3V3_IMUCS1_Gyro
CS1_Accel
SPI1_MOSI
SPI1_CLK
SPI1_MISO
INT1_Accel
INT1_Gyro
U1
BMI088
SDI
9
SDO1
15
VDD
3
GNDIO
4
CSB2
5
GND
6
PS
7
SCK
8
SDO2
10
CSB1
14
NC
2
VDDIO
11
INT4
13
INT3
12
INT2
1
INT1
16
TP5
1
TP1
1
TP3
1
TP4
1
C1
100.0nF
0402
TP2
1
R1 33.0R
0402
C2
100.0nF
0402
Load Imax:116.3mA
走线请按照至少500mA
PGND1
Heat_Power
TIM10_CH1
R14 120.0R
0402
Q3
YJL3400A
G
S D
R10430.0R
0402
R9430.0R
0402
R8430.0R
0402
R11430.0R
0402
R6430.0R
0402
R4430.0R
0402
R2430.0R
0402
R13
10K
0402
R7430.0R
0402
R5430.0R
0402
R3430.0R
0402
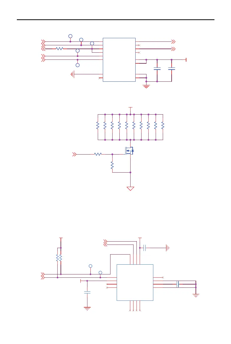
Magnetometer
The 3-axis magnetometer chip IST8310 is integrated into the Board Type C. The communication
method of STM32 and IST8310 is IIC, which supports a maximum communication rate of 400 kHz.
The default IIC address of IST8310 is 0x0E. The schematic diagram is shown below.
PS connects GND: SPI mode
PS connects VDD: IIC mode
Load Imax: 116.3 mA
The operating current should be at least 500 mA
The chip should be far away from the power
cable and no device is allowed within 2 mm.

Related product manuals