EasyManua.ls Logo

Dolphin 99EX - Page 166

Default Icon
192 pages
Print Icon
To Next Page IconTo Next Page
To Next Page IconTo Next Page
To Previous Page IconTo Previous Page
To Previous Page IconTo Previous Page
Loading...
15 - 6
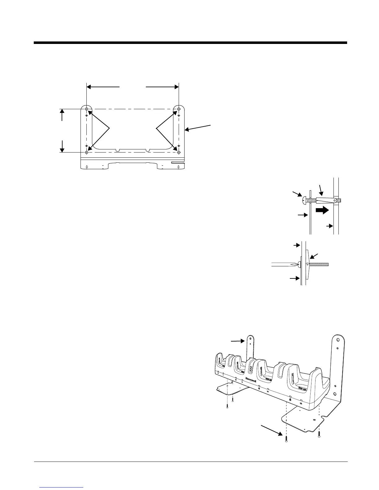
Hollow Wall Installation
1. Drill four pilot holes in the wall using a 7/8 in. drill bit.
2. Slide the bolt through the wall bracket, and thread the toggle nut onto
the bolt.
3. Press the ends of the toggle nut together, and insert the bolt/nut into the
pilot hole until the nut clears inside wall surface. The toggle nut should
spring open preventing the screw from being removed.
4. Repeat steps 2 and 3 for each of the remaining mounting holes.
5. Tighten all four bolts to secure the bracket to the wall.
6. Once the bracket is installed, secure the base to the wall bracket, see
Securing the Base to the Wall Bracket for detailed instructions.
Wood Stud Installation
1. Drill four pilot holes in the wall/wood stud using the 1/4 in. drill bit.
2. Secure the bracket to the wall using the four Hex Head Lag Screws provided.
3. Once the bracket is installed, secure the base to the wall bracket, see Securing the Base to the Wall
Bracket for detailed instructions.
Securing the Base to the Wall Bracket
You can secure the base to the wall bracket by
using the self tapping screws provided or you can
use the optional DIN Rail.
To secu re the b as e u sing th e s el f tap ping sc rews :
1. Position the base on the wall bracket, as
shown.
2. Secure the base to the bracket using the four
M3 x 9 mm self-tapping screws.
Wall Mount Holes
6.5 in.
[16.5 cm]
13.78 in.
[35 cm]
Wall Mount Bracket
Bolt
Bracket
Wall
Tog gle N u t
Open
Tog gle Nu t
Wall
Bracket
Wall Bracket
M3 x 9 mm Self-tapping
Screws, Qty. 4

Table of Contents