EasyManua.ls Logo

Doosan 7/71 - Electrical System Diagrams

Doosan 7/71
70 pages
Print Icon
To Next Page IconTo Next Page
To Next Page IconTo Next Page
To Previous Page IconTo Previous Page
To Previous Page IconTo Previous Page
Loading...
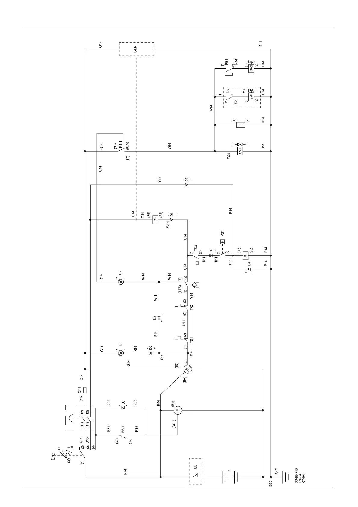
ELECTRICAL SYSTEM
30
7/71, 12/56

Other manuals for Doosan 7/71

Related product manuals